GM Service Manual Online
For 1990-2009 cars only
Makes
🢒
Cadillac
🢒
2004
🢒
Escalade EXT
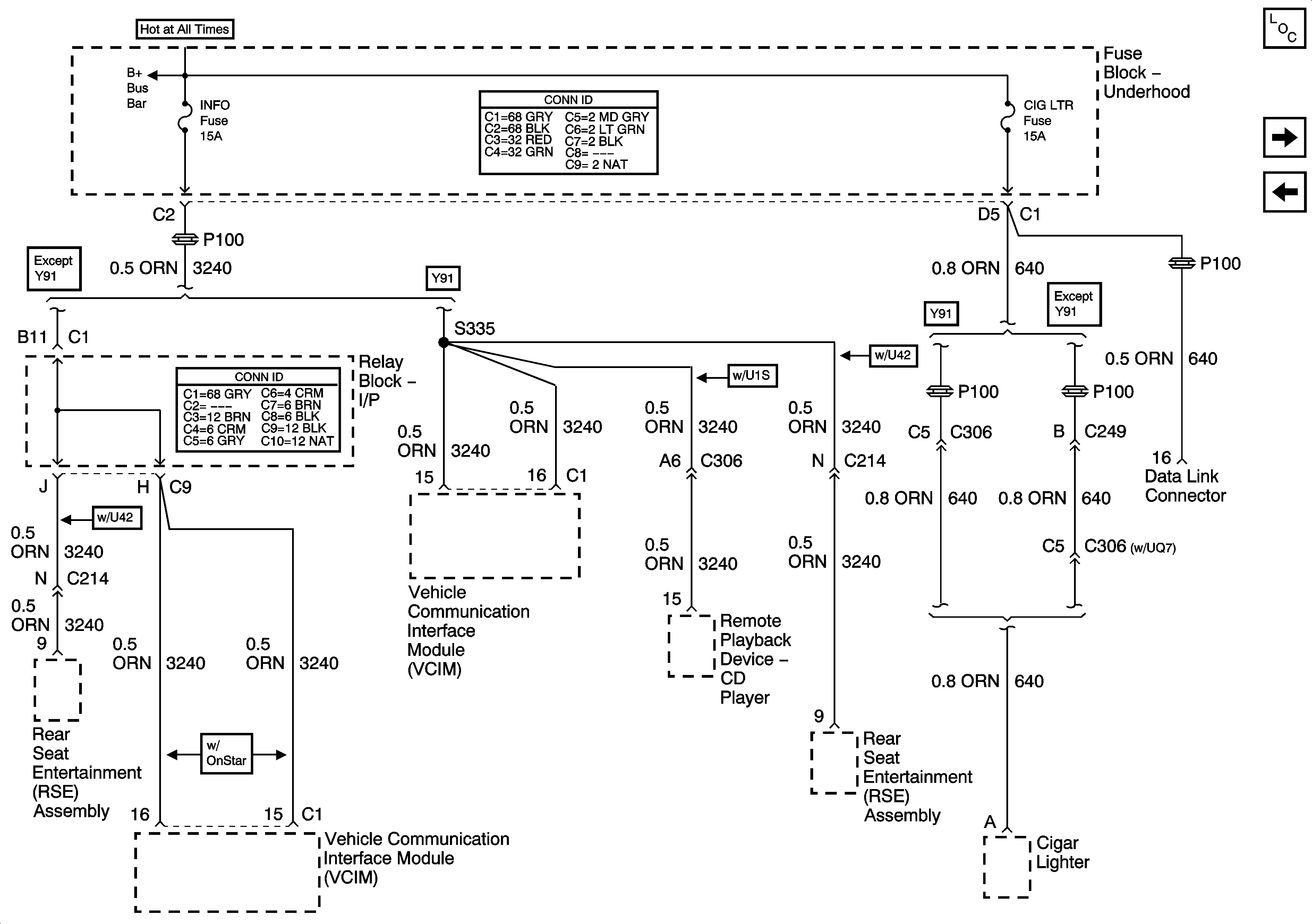
🢒 INFO, CIG LTR Fuses
INFO, CIG LTR Fuses
INFO, CIG LTR Fuses
Master Electrical Component List
RTD, RR WPR, EAP, SUNROOF Fuses
4WS, RADIO, RADIO AMP Fuses
B+ Bus - 1 of 2