GM Service Manual Online
For 1990-2009 cars only
Makes
🢒
Cadillac
🢒
2004
🢒
Escalade EXT
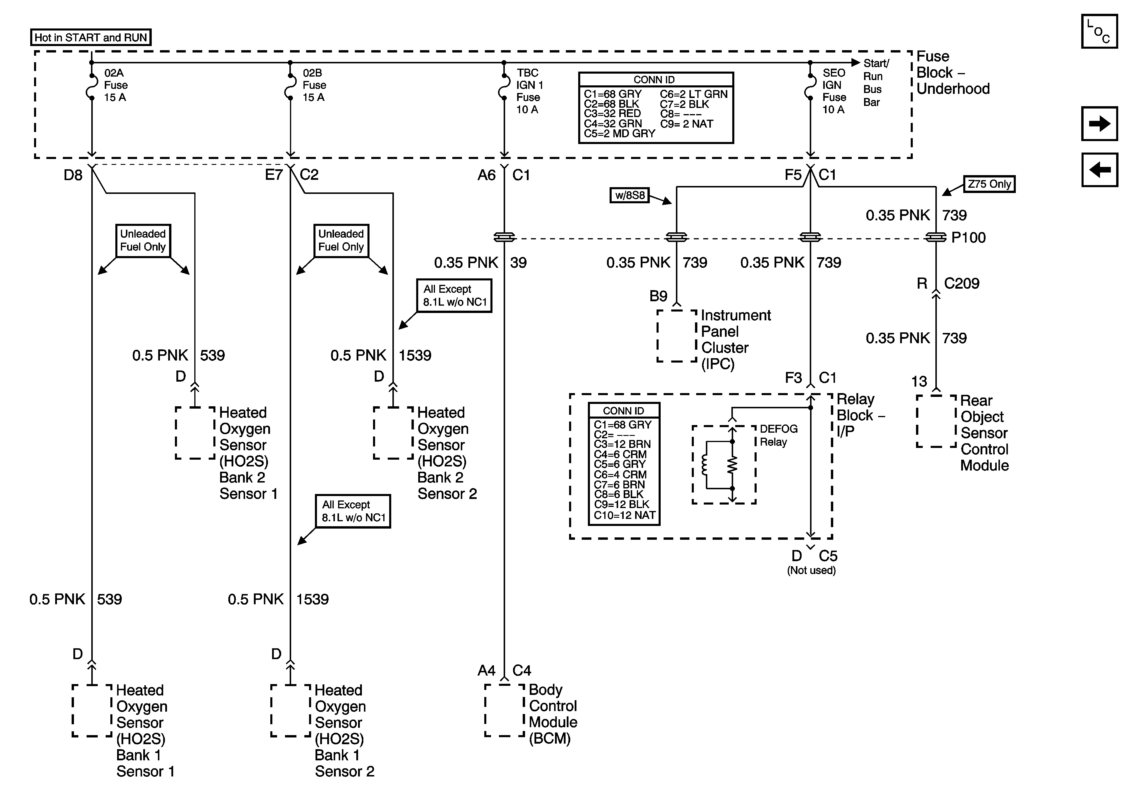
🢒 O2A, O2B, TBC IGN 1, SEO IGN Fuses
O2A, O2B, TBC IGN 1, SEO IGN Fuses
O2A, O2B, TBC IGN 1, SEO IGN Fuses
Master Electrical Component List
IGN E Fuse
IGN 0, TBC IGN 0, TBC ACCY, SEO ACCY, W/S WPR, RR WPR Fuses
Ignition Switch - ACC/RUN/START, ACC/RUN, and RUN/START Bus Bars