GM Service Manual Online
For 1990-2009 cars only
Makes
🢒
Cadillac
🢒
2004
🢒
Escalade EXT
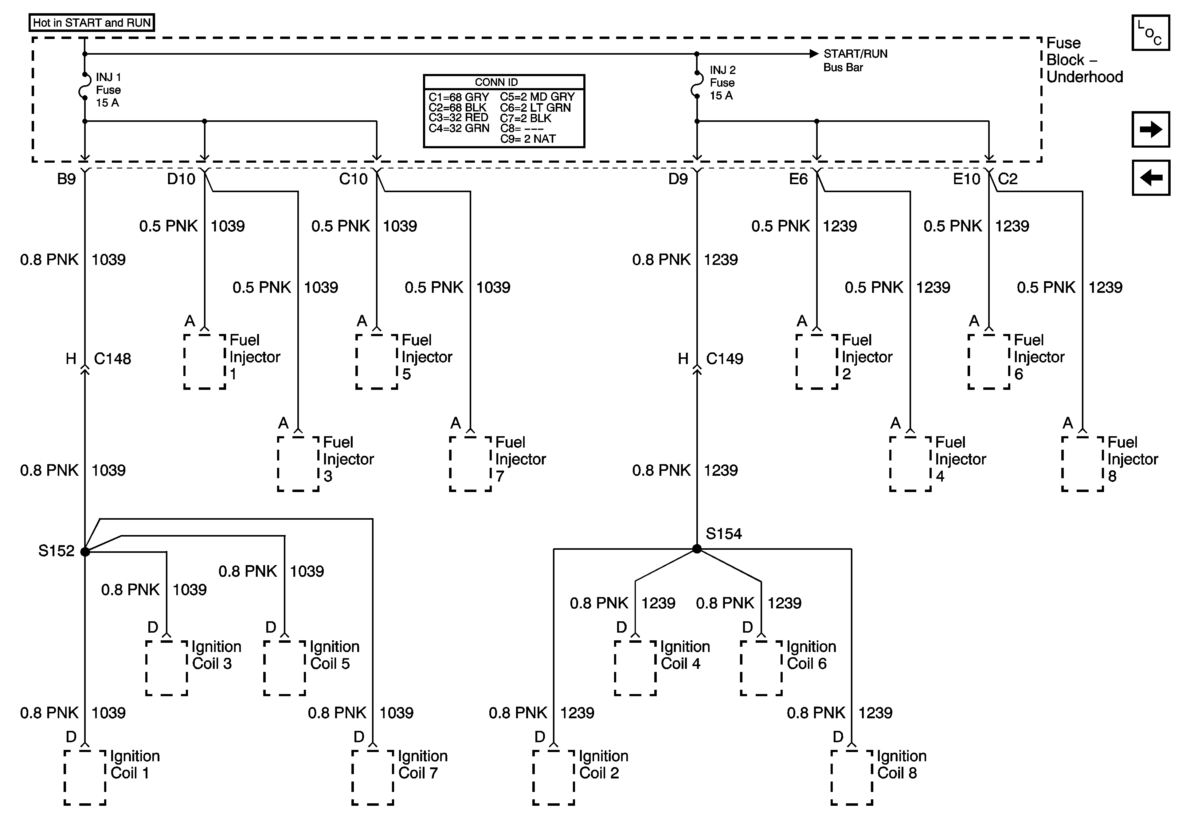
🢒 INJ 1, INJ 2 Fuses - All Except 8.1L
INJ 1, INJ 2 Fuses - All Except 8.1L
INJ 1, INJ 2 Fuses - All Except 8.1L
Master Electrical Component List
INJ 1, INJ 2 Fuses - 8.1L Only
SBA, ETC/ECM, PCM 1 Fuses
IGN 1 Relay Bus Bar, SEO B2, B/U LP, BTSI, TRL B/U Fuses