GM Service Manual Online
For 1990-2009 cars only
Makes
🢒
Cadillac
🢒
2004
🢒
Escalade EXT
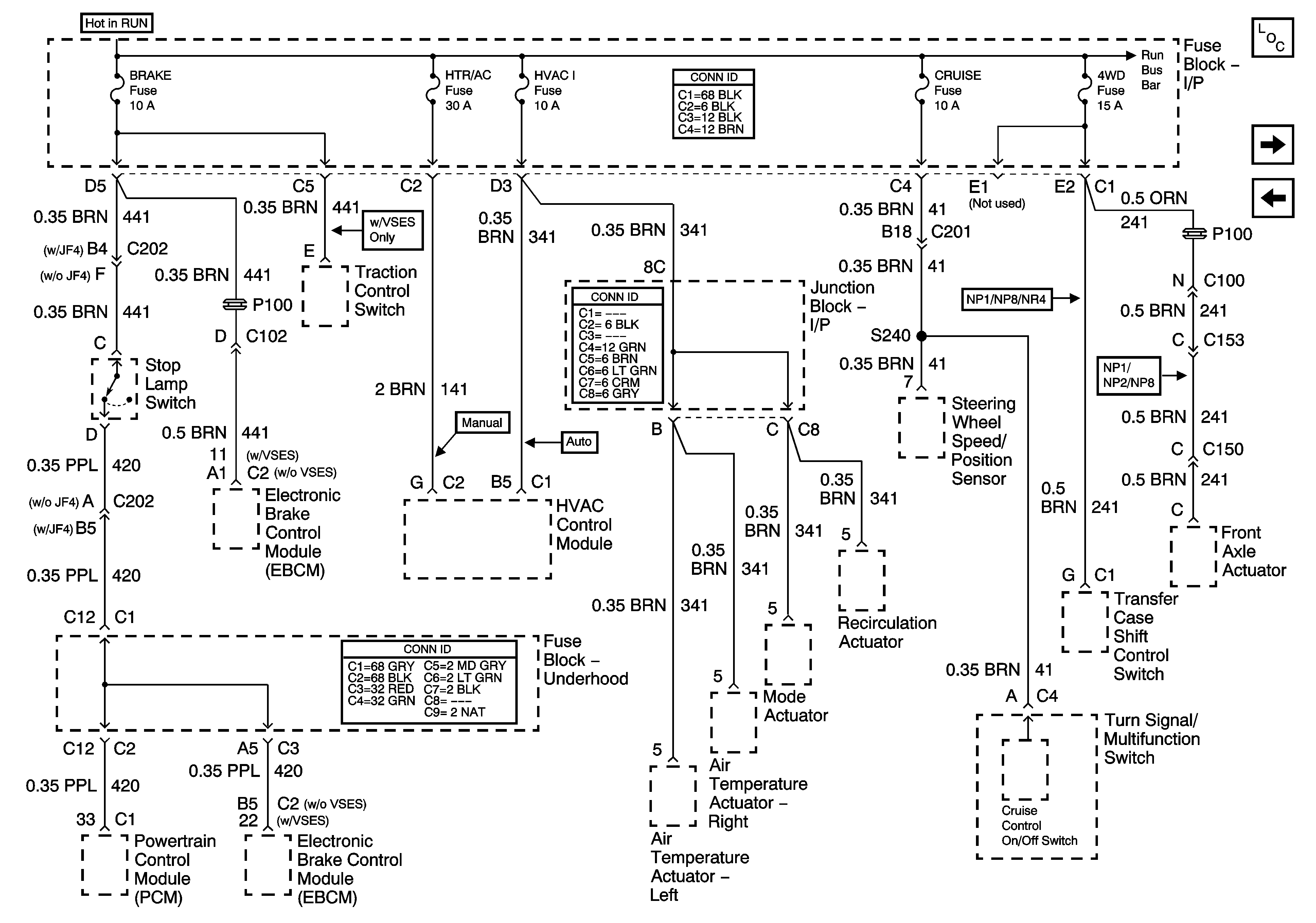
🢒 BRAKE, HTR/AC, HVAC I, CRUISE, 4WD Fuses
BRAKE, HTR/AC, HVAC I, CRUISE, 4WD Fuses
BRAKE, HTR/AC, HHAC I, CRUISE, 4WD Fuses
Master Electrical Component List
IGN 3 Fuse - 1 of 2
DDM, PDM, ECC, AUX PWR 2, AUX PWR Fuses
Ignition Switch - START, and RUN Bus Bars