GM Service Manual Online
For 1990-2009 cars only
Makes
🢒
Cadillac
🢒
2004
🢒
Escalade EXT
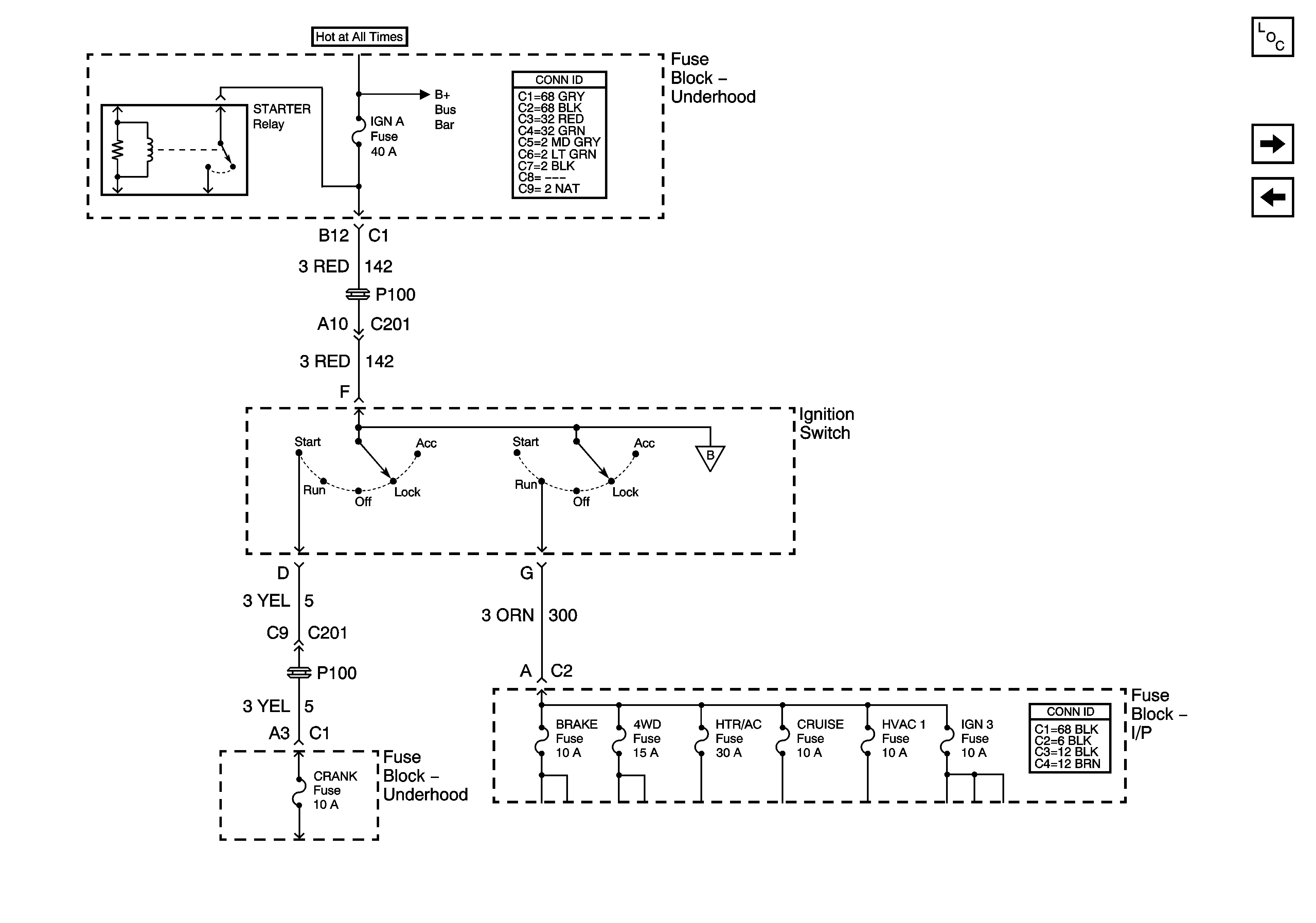
🢒 Ignition Switch - START, and RUN Bus Bars
Ignition Switch - START, and RUN Bus Bars
Ignition Switch - START, and RUN Bus Bars
Master Electrical Component List
Ignition Switch - ACC/RUN/START, ACC/RUN, and RUN/START Bus Bars
Mega Fuse - 60A, Driver, Front Passenger, Left Rear, Right Rear Fuses (ULT), and Mega Fuse - 40A, Fuse B, and Fuse D (9L4)
B+ Bus - 1 of 2
Ignition Switch - ACC/RUN/START, ACC/RUN, and RUN/START Bus Bars