GM Service Manual Online
For 1990-2009 cars only
Makes
🢒
Cadillac
🢒
2004
🢒
Escalade EXT
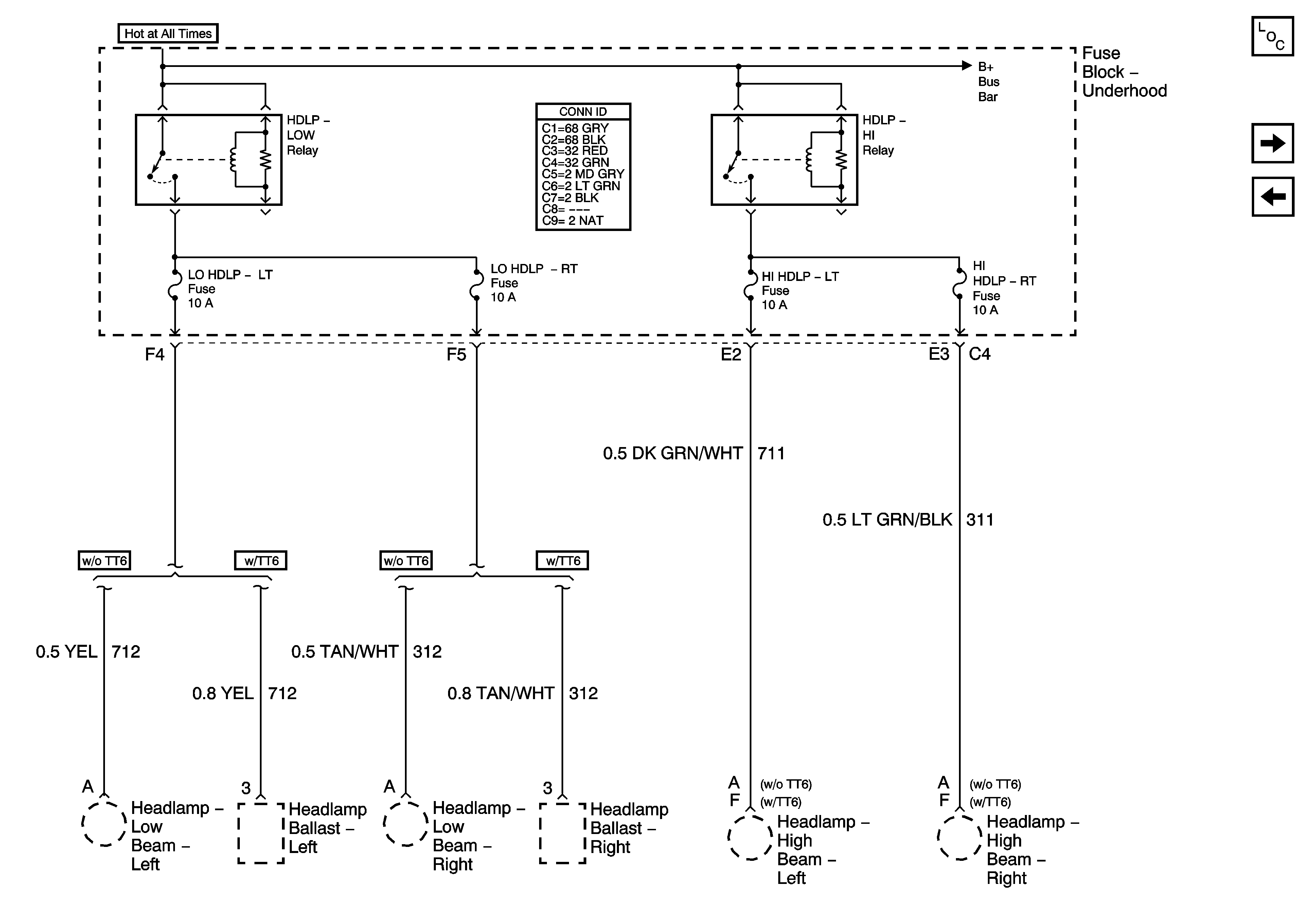
🢒 LO HDLP - LT, LO HDLP - RT, HI HDLP - LT, HI HDLP - RT Fuses
LO HDLP - LT, LO HDLP - RT, HI HDLP - LT, HI HDLP - RT Fuses
LO HDLP - LT, LO HDLP - RT, HI HDLP - LT, HI HDLP - RT Fuses
Master Electrical Component List
LR PARK, RR PARK Fuses
IGN 3 Fuse - 2 of 2
B+ Bus - 2 of 2