GM Service Manual Online
For 1990-2009 cars only
Makes
🢒
Cadillac
🢒
2004
🢒
Escalade EXT
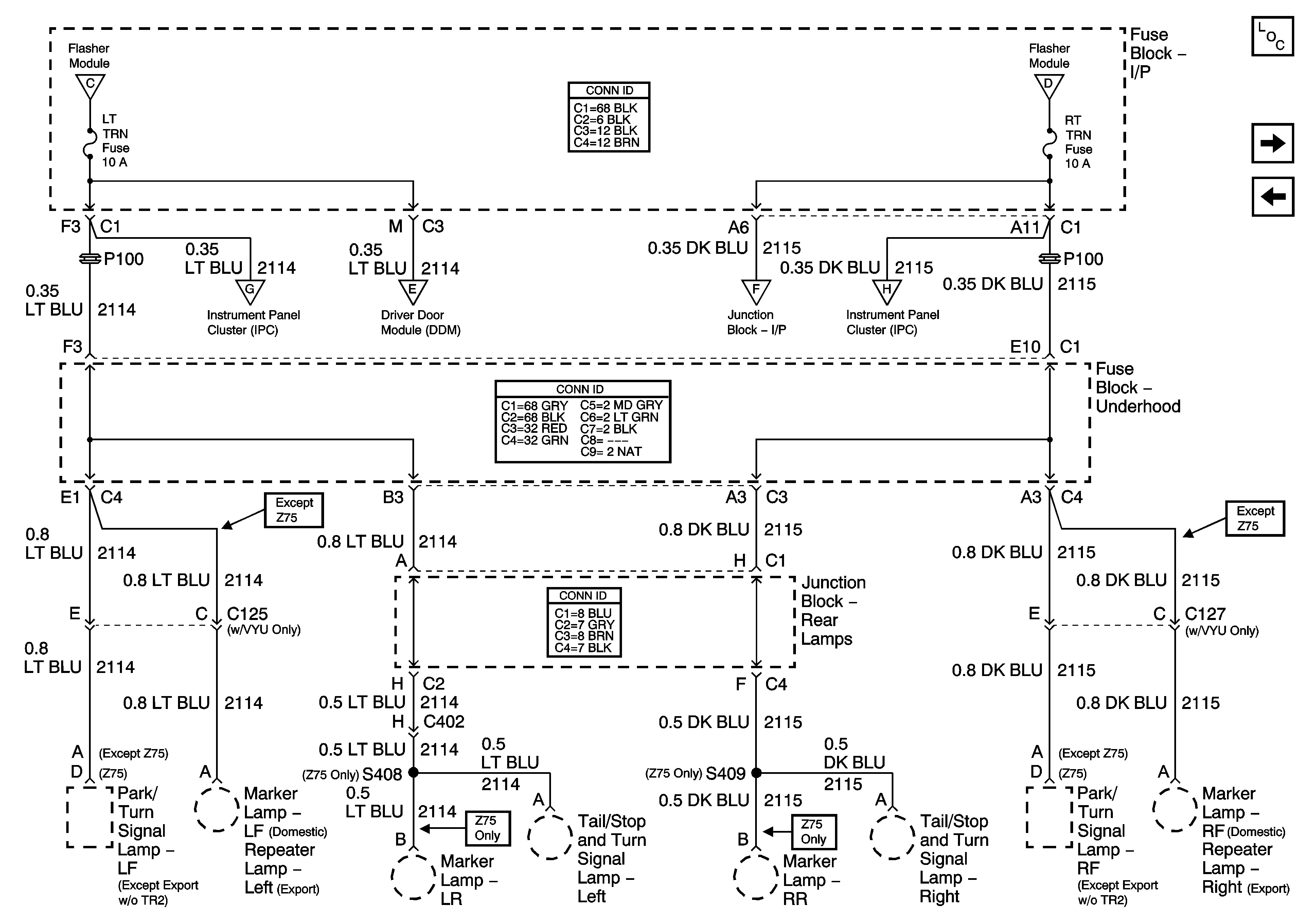
🢒 LT TRN, RT TRN Fuses - 1 of 2
LT TRN, RT TRN Fuses - 1 of 2
LT TRN and RT TRN Fuses - 1 of 2
Master Electrical Component List
LT TRN, RT TRN Fuses - 2 of 2
VEH CHMSL, VEH STOP, LT TRLR ST/TRN, RT TRLR ST/TRN Fuses
VEH CHMSL, VEH STOP, LT TRLR ST/TRN, RT TRLR ST/TRN Fuses
VEH CHMSL, VEH STOP, LT TRLR ST/TRN, RT TRLR ST/TRN Fuses
LT TRN, RT TRN Fuses - 2 of 2
LT TRN, RT TRN Fuses - 2 of 2
LT TRN, RT TRN Fuses - 2 of 2
LT TRN, RT TRN Fuses - 2 of 2