GM Service Manual Online
For 1990-2009 cars only
Makes
🢒
Cadillac
🢒
2004
🢒
Escalade EXT
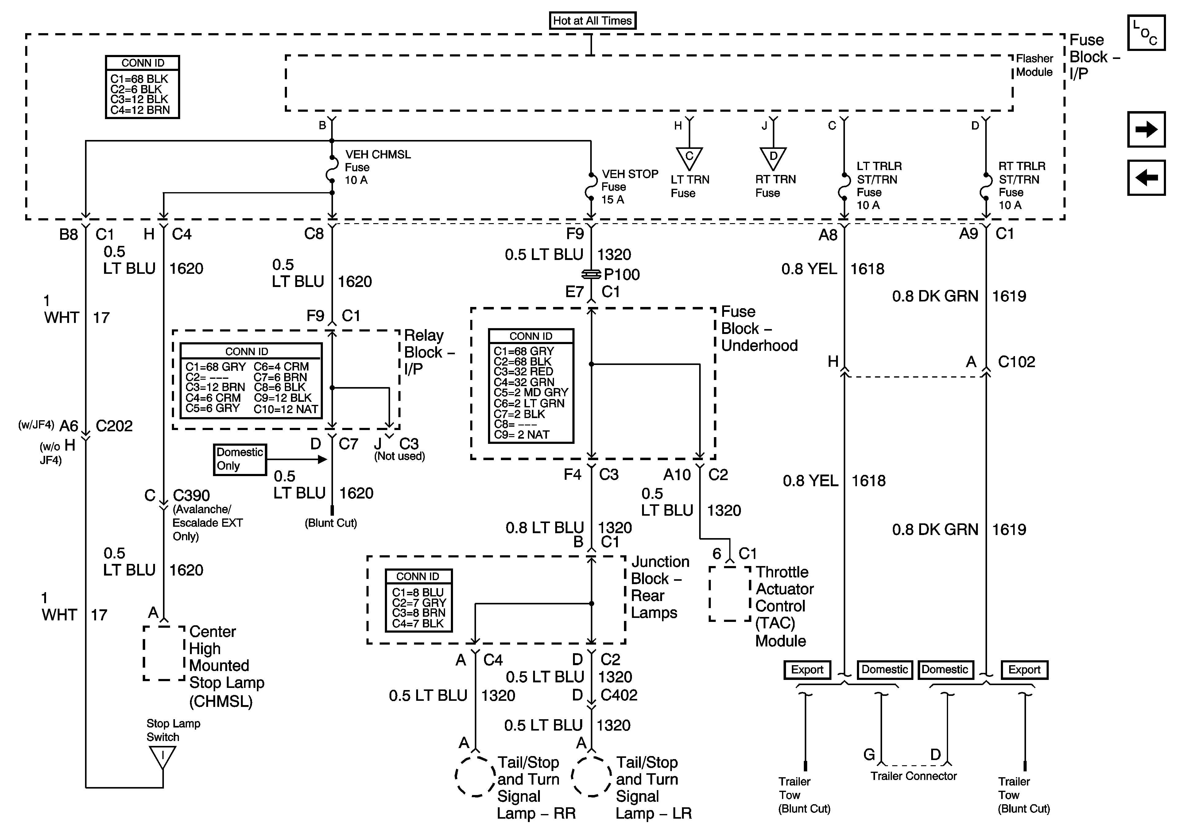
🢒 VEH CHMSL, VEH STOP, LT TRLR ST/TRN, RT TRLR ST/TRN Fuses
VEH CHMSL, VEH STOP, LT TRLR ST/TRN, RT TRLR ST/TRN Fuses
VEH CHMSL, VEH STOP, LT TRLR ST/TRN, RT TRLR ST/TRN Fuses
Master Electrical Component List
LT TRN, RT TRN Fuses - 1 of 2
FRT PARK, DRL, TRL PARK, INT PARK Fuses - Export
LT TRN, RT TRN Fuses - 1 of 2
LT TRN, RT TRN Fuses - 1 of 2
HVAC/ECAS, RR HVAC, BLOWER, RR DEFOG, STOP LP, TREC Fuses