GM Service Manual Online
For 1990-2009 cars only
Makes
🢒
Cadillac
🢒
2004
🢒
Escalade EXT
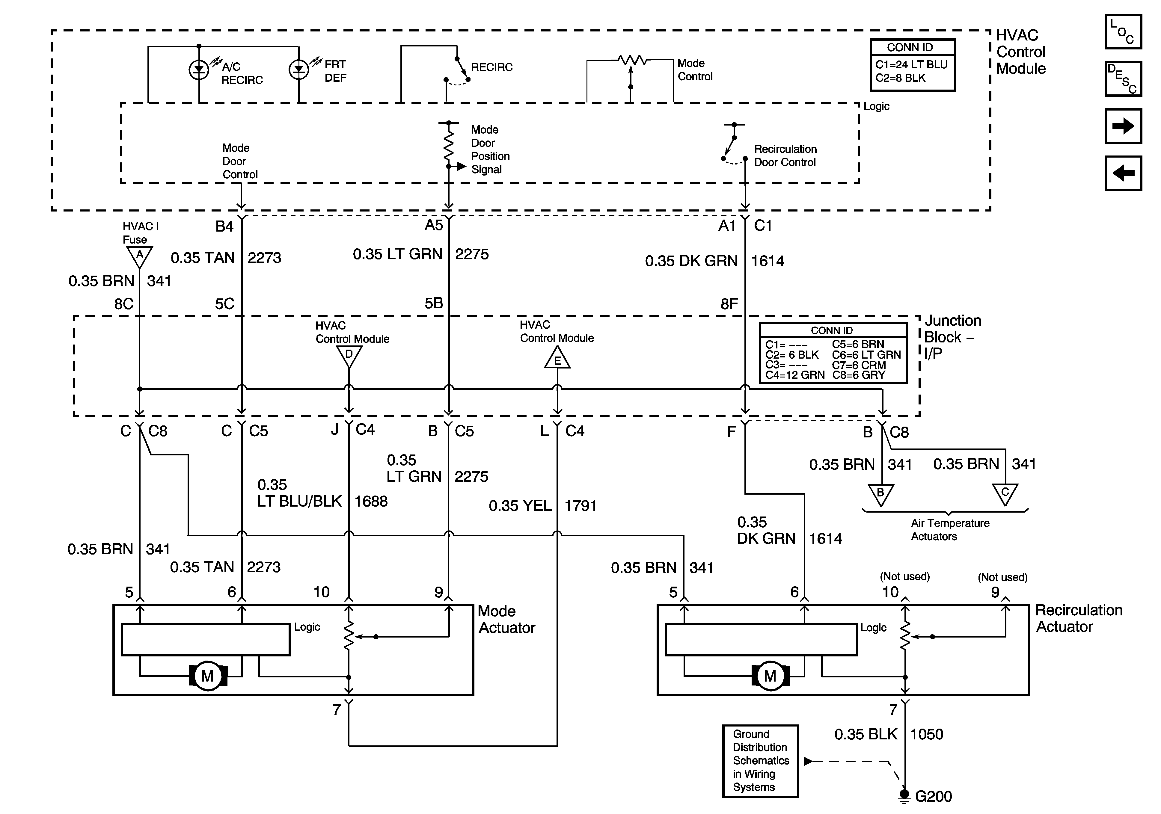
🢒 Mode and Recirculation Door Control
Mode and Recirculation Door Control
Mode and Recirculation Door Control
Master Electrical Component List
Air Delivery Description and Operation
Auxiliary HVAC w/Heat and A/C - 1 of 3
Front Left and Right Temperature Control
Power, Ground, Serial Data, and Ambient Light Sensor
Front Left and Right Temperature Control
Front Left and Right Temperature Control
Front Left and Right Temperature Control
G200 - 1 of 3