GM Service Manual Online
For 1990-2009 cars only
Makes
🢒
Cadillac
🢒
2004
🢒
Escalade EXT
🢒 Auxiliary HVAC w/Heat and A/C - 1 of 3
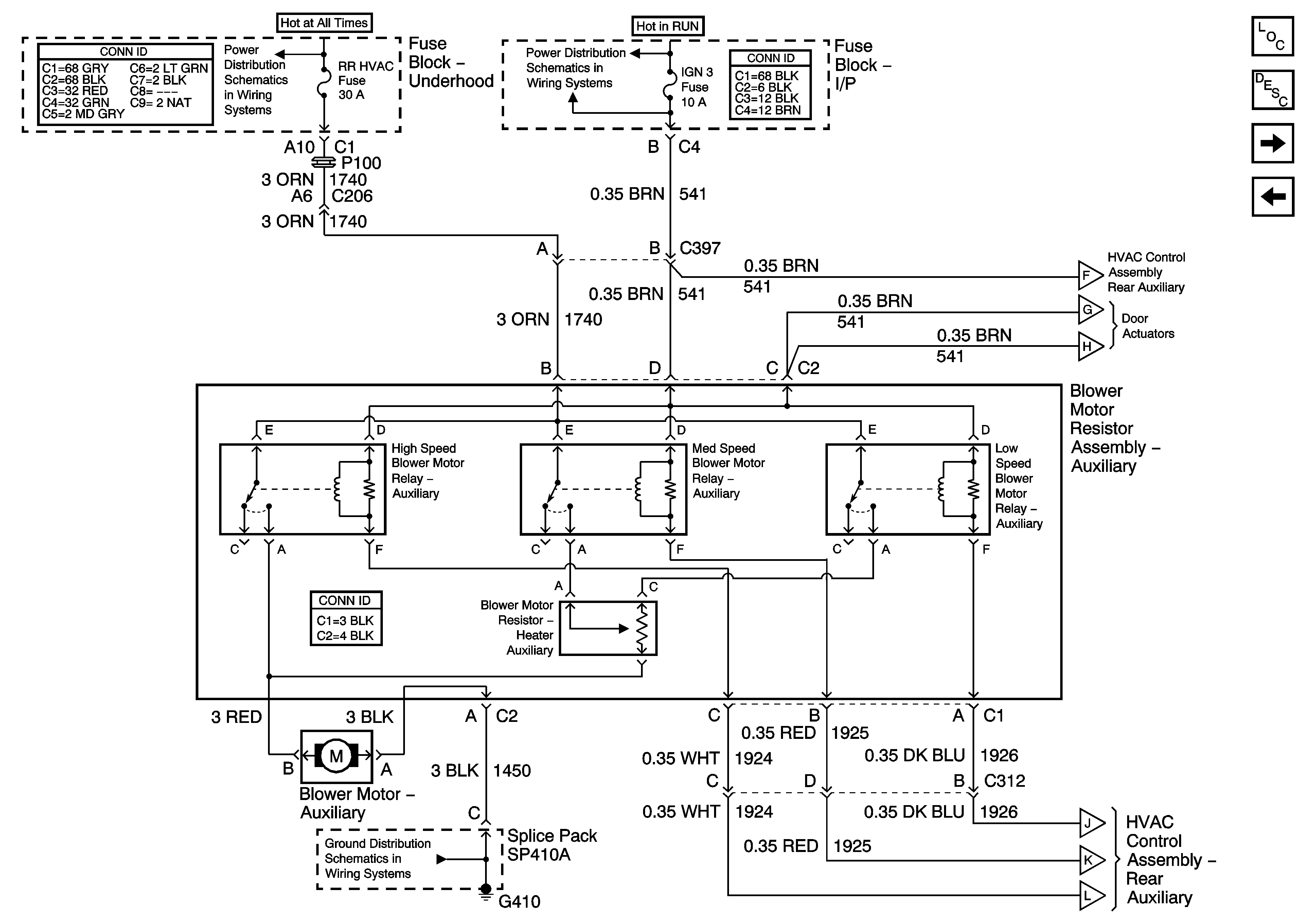
Auxiliary HVAC w/Heat and A/C - 1 of 3
Auxiliary HVAC w/ Heat and A/C - 1 of 3
Master Electrical Component List
Air Delivery Description and Operation
Auxiliary HVAC w/Heat and A/C - 2 of 3
Mode and Recirculation Door Control
B+ Bus - 1 of 2
IGN 3 Fuse - 1 of 2
Auxiliary HVAC w/Heat and A/C - 3 of 3
Auxiliary HVAC w/Heat and A/C - 2 of 3
G410 - 1 of 3