GM Service Manual Online
For 1990-2009 cars only
Makes
🢒
Cadillac
🢒
2004
🢒
Escalade EXT
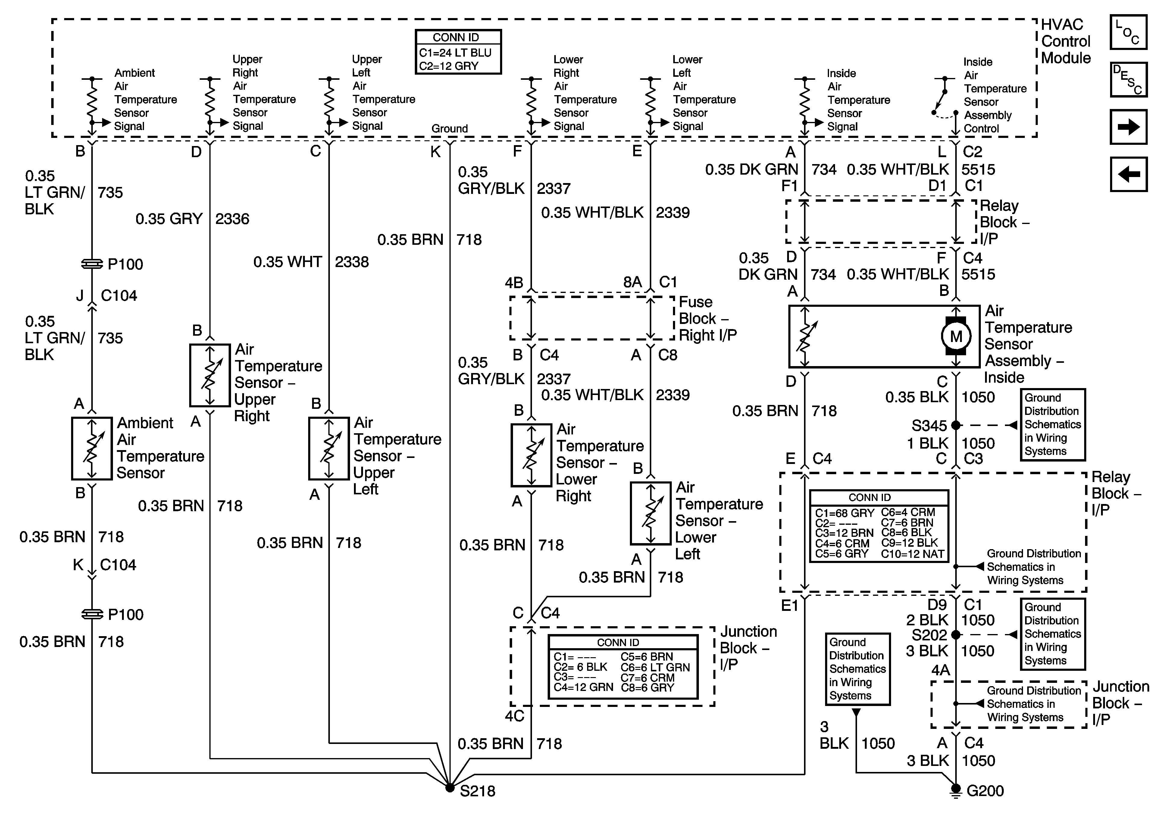
🢒 Front Air Temperature Sensors
Front Air Temperature Sensors
Front Air Temperature Sensors
Master Electrical Component List
Air Temperature Description and Operation
Auxiliary HVAC Controls - 1 of 3
Recirculation and Mode Door Controls
G200 - 3 of 3
G200 - 3 of 3
G200 - 1 of 3
G200 - 1 of 3
G200 - 1 of 3