GM Service Manual Online
For 1990-2009 cars only
Makes
🢒
Cadillac
🢒
2004
🢒
Escalade EXT
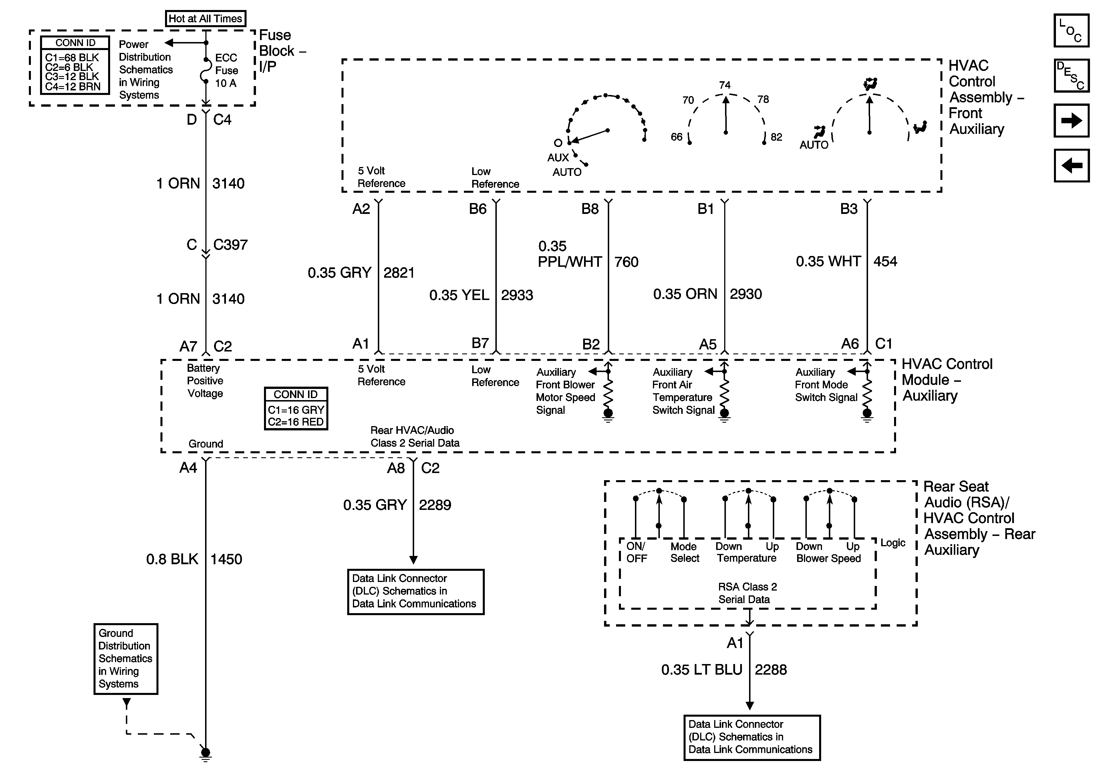
🢒 Auxiliary HVAC Controls - 1 of 3
Auxiliary HVAC Controls - 1 of 3
Auxiliary HVAC Controls - 1 of 3
Master Electrical Component List
Air Delivery Description and Operation
Auxiliary HVAC Controls - 2 of 3
Front Air Temperature Sensors
LBEC 1, LBEC 2, MBEC 1 Fuses
SP206
I/P Dimming Supply Voltage - 6 of 7
G410 - 1 of 3
G200 - 1 of 3
G200 - 1 of 3
G200 - 3 of 3
G200 - 3 of 3
G200 - 1 of 3