GM Service Manual Online
For 1990-2009 cars only
Makes
🢒
Cadillac
🢒
2004
🢒
Escalade EXT
🢒 Auxiliary HVAC Controls - 2 of 3
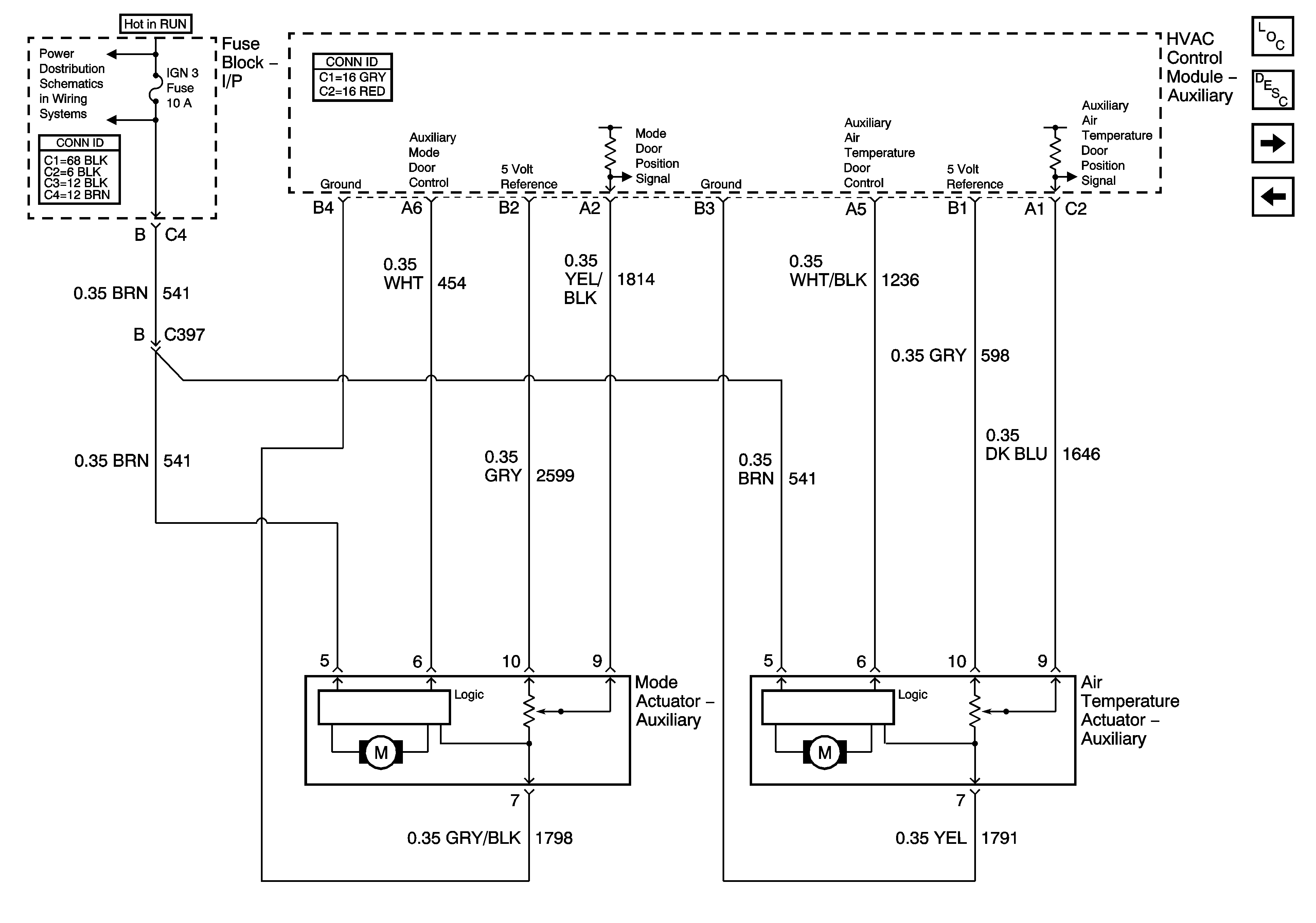
Auxiliary HVAC Controls - 2 of 3
Auxiliary HVAC Controls - 2 of 3
Master Electrical Component List
Air Delivery Description and Operation
Auxiliary HVAC Controls - 3 of 3
Auxiliary HVAC Controls - 1 of 3
IGN 3 Fuse - 1 of 2