GM Service Manual Online
For 1990-2009 cars only
Makes
🢒
Cadillac
🢒
2004
🢒
Escalade EXT
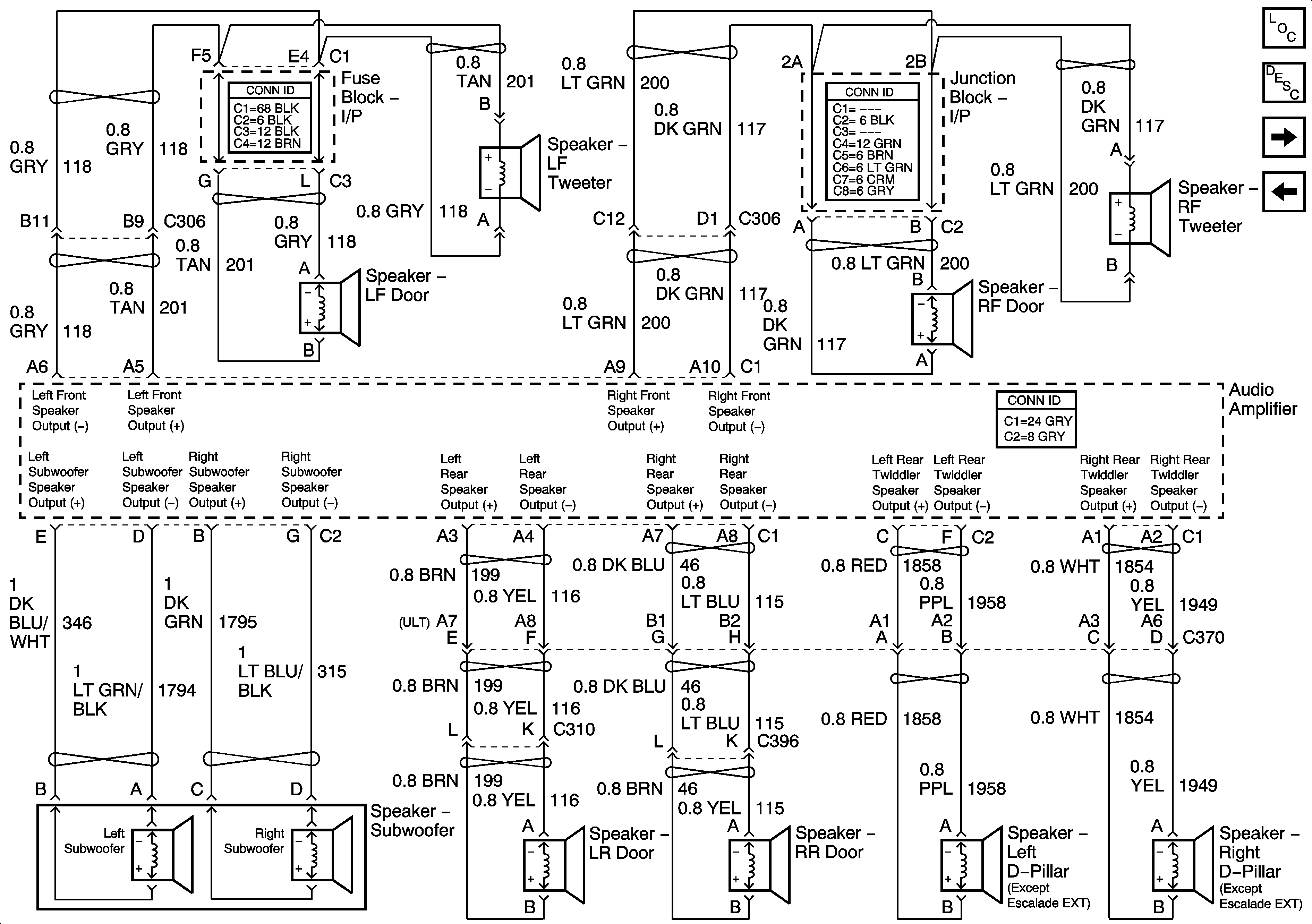
🢒 Speakers
Speakers
Speakers
Master Electrical Component List
Radio/Audio System Description and Operation
Remote CD Player - w/ U1S
Amplifier, RSA Power, Ground, Subsystems