GM Service Manual Online
For 1990-2009 cars only
Makes
🢒
Cadillac
🢒
2004
🢒
Escalade EXT
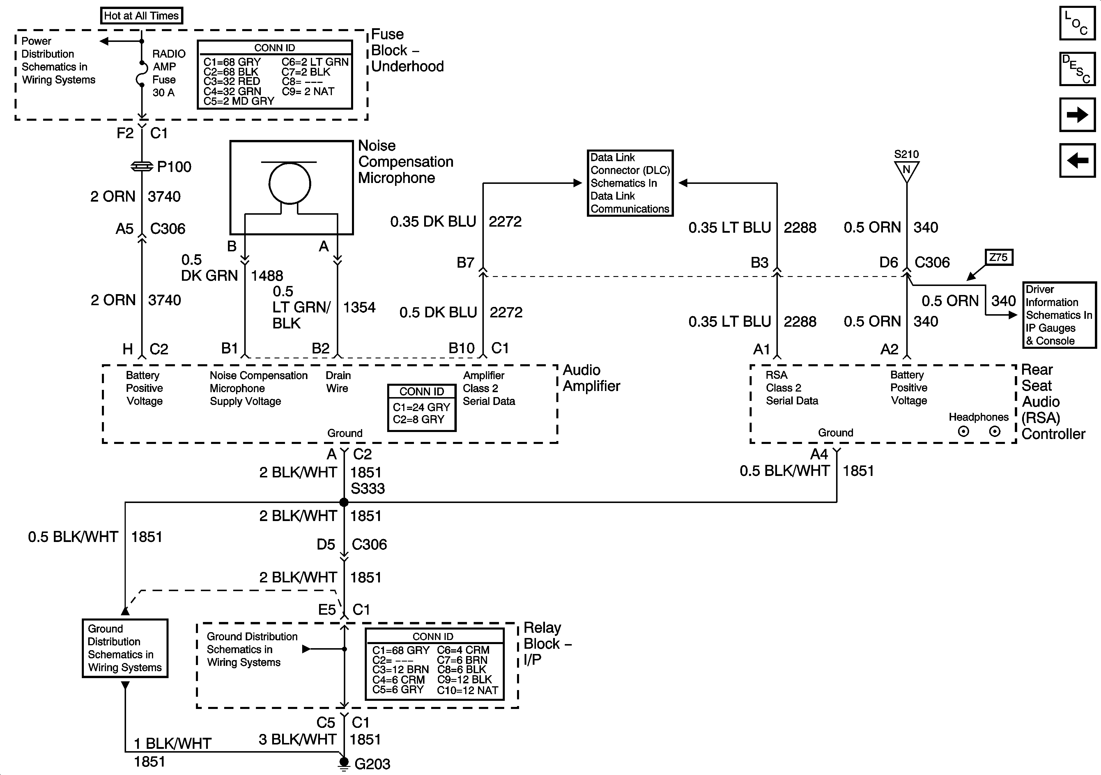
🢒 Amplifier, RSA Power, Ground, Subsystems
Amplifier, RSA Power, Ground, Subsystems
Amplifier, RSA Power, Ground, Subsystems
Master Electrical Component List
Radio/Audio System Description and Operation
Speakers
Audio Signals - 2 of 2
B+ Bus - 1 of 2
SP207
Radio Power, Ground, Audio Signals
G203 - 1 of 3
G203 - 1 of 3