GM Service Manual Online
For 1990-2009 cars only
Makes
🢒
Cadillac
🢒
2004
🢒
Escalade EXT
🢒 Front
Front
Front
Master Electrical Component List
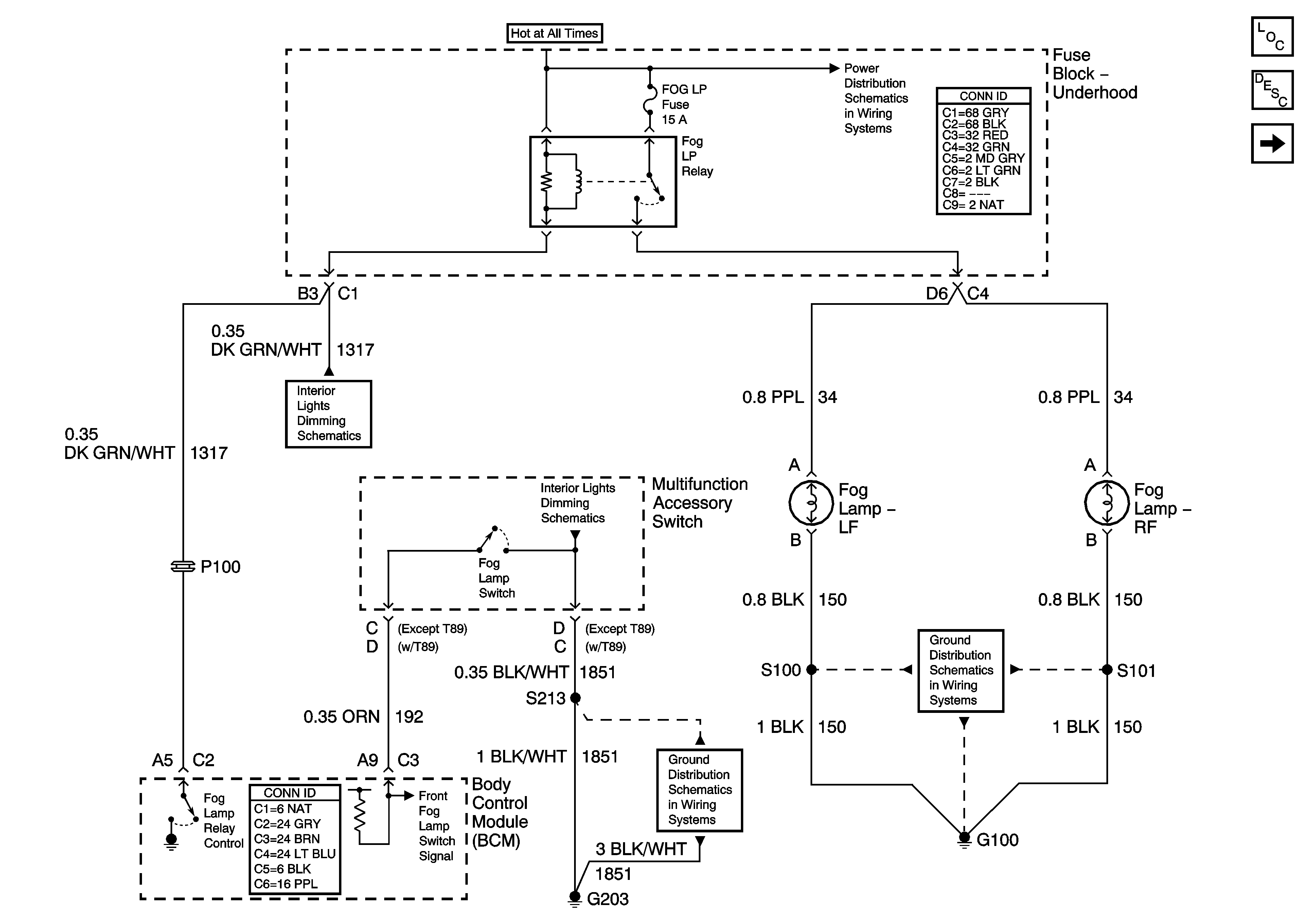
Exterior Lighting Systems Description and Operation
Rear - Export Only
B+ Bus - 2 of 2
LED Dimming Supply Voltage - 2 of 2
I/P Dimming Supply Voltage - 3 of 7
G203 - 1 of 3
G100, G101, G105, G106