GM Service Manual Online
For 1990-2009 cars only
Makes
🢒
Cadillac
🢒
2004
🢒
Escalade EXT
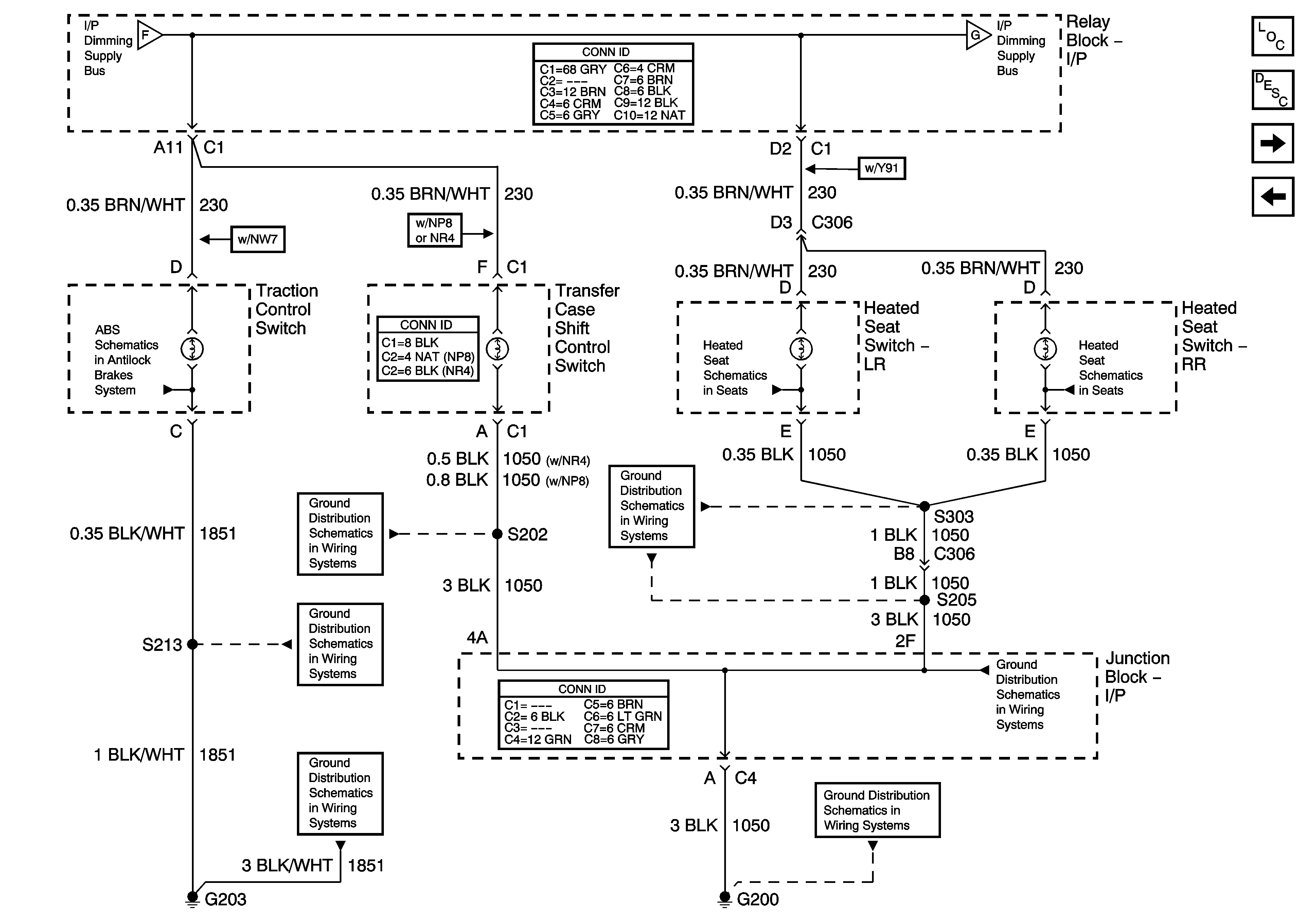
🢒 I/P Dimming Supply Voltage - 4 of 7
I/P Dimming Supply Voltage - 4 of 7
I/P Dimming Supply Voltage - 4 of 7
Master Electrical Component List
Interior Lighting Systems Description and Operation
I/P Dimming Supply Voltage - 5 of 8
I/P Dimming Supply Voltage - 3 of 7
I/P Dimming Supply Voltage - 3 of 7
I/P Dimming Supply Voltage - 5 of 7
Stop Lamp Switch and Traction Control Switch
I/P Dimming Supply Voltage - 5 of 8
Rear Heated Seats - 1 of 3
Rear Heated Seats - 3 of 3
G200 - 1 of 3
G203 - 1 of 3
G203 - 1 of 3
G200 - 2 of 3
G200 - 1 of 3
G200 - 1 of 3