GM Service Manual Online
For 1990-2009 cars only
Makes
🢒
Cadillac
🢒
2004
🢒
Escalade EXT
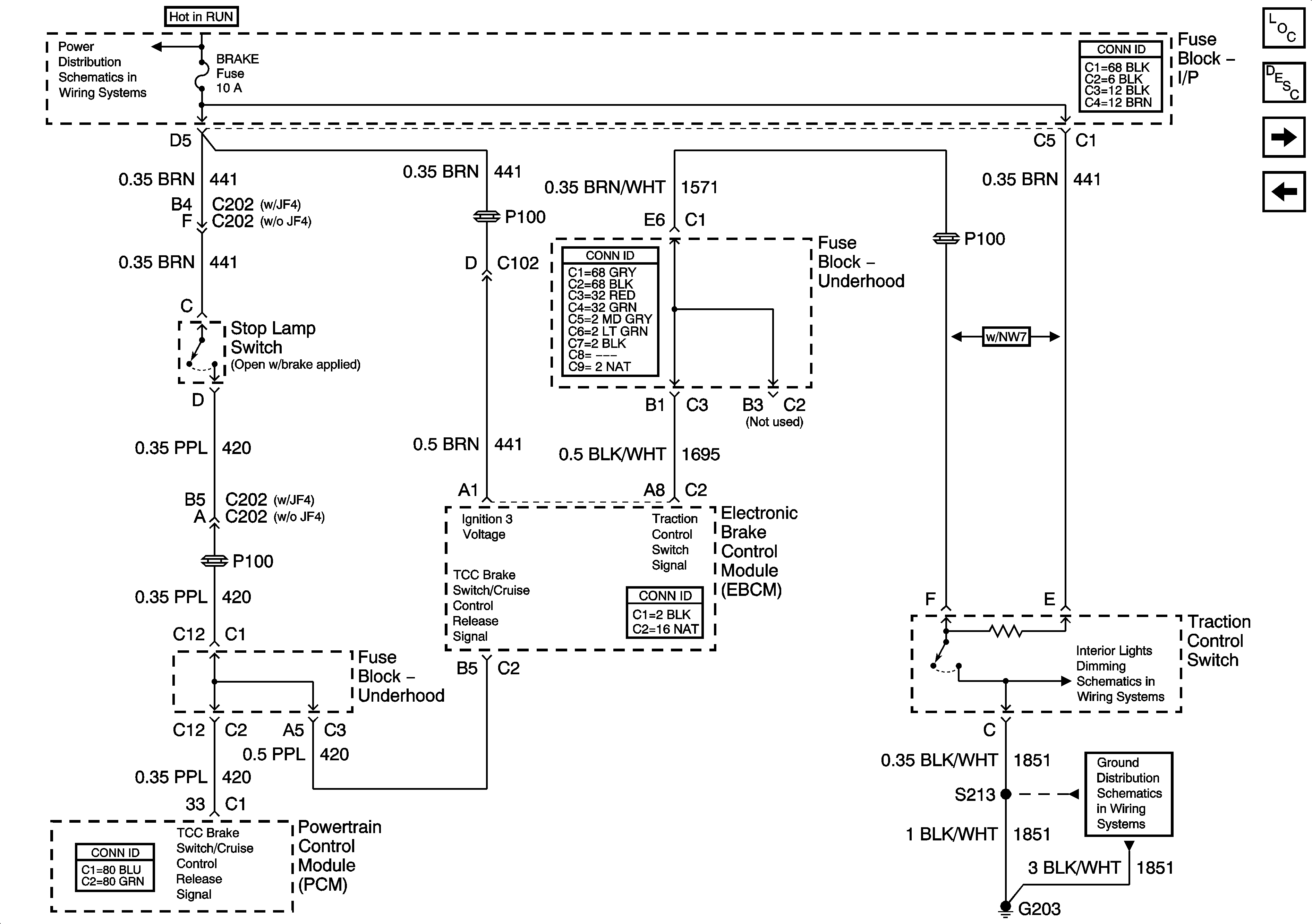
🢒 Stop Lamp Switch and Traction Control Switch
Stop Lamp Switch and Traction Control Switch
Stop Lamp Switch and Traction Control Switch
Master Electrical Component List
ABS Description and Operation W/O JL4
Power, Ground, Serial Data, and Stop Lamp Switch - w/ VSES
Power, Ground, Serial Data, and Wheel Speed Sensors
BRAKE, HTR/AC, HVAC I, CRUISE, 4WD Fuses
I/P Dimming Supply Voltage - 4 of 7
G203 - 1 of 3