GM Service Manual Online
For 1990-2009 cars only
Makes
🢒
Cadillac
🢒
2004
🢒
Escalade EXT
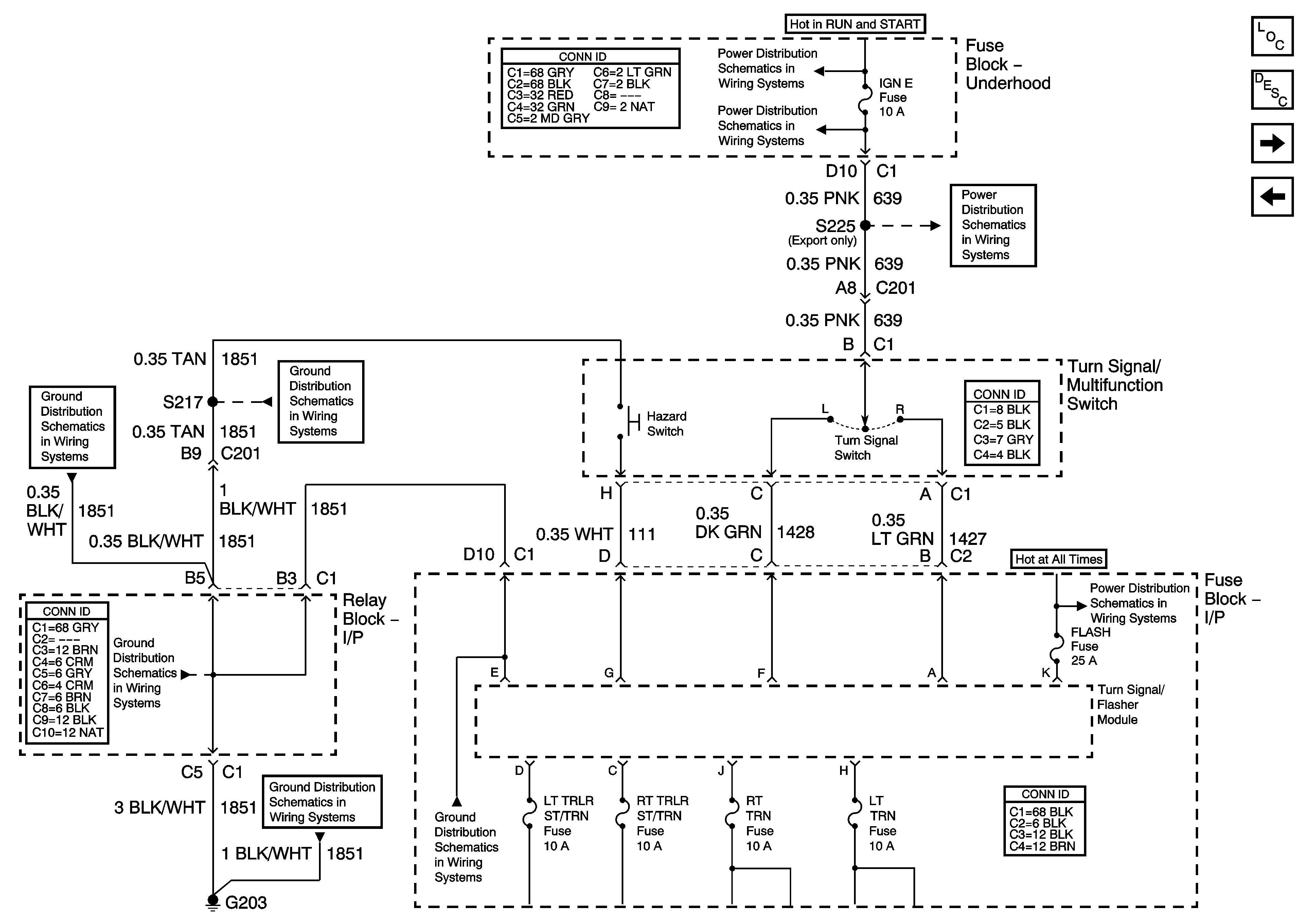
🢒 Turn Signal/Multifunction Switch
Turn Signal/Multifunction Switch
Turn Signal/Multifunction Switch
Master Electrical Component List
Exterior Lighting Systems Description and Operation
Left Turn Signals - Domestic
Stop Lamps - 2 of 2
Ignition Switch - ACC/RUN/START, ACC/RUN, and RUN/START Bus Bars
IGN E Fuse
IGN E Fuse
G203 - 2 of 3
G203 - 3 of 3
G203 - 2 of 3
G203 - 1 of 3
G203 - 2 of 3
LBEC 1, LBEC 2, MBEC 1 Fuses