GM Service Manual Online
For 1990-2009 cars only
Makes
🢒
Cadillac
🢒
2004
🢒
Escalade EXT
🢒 Charging
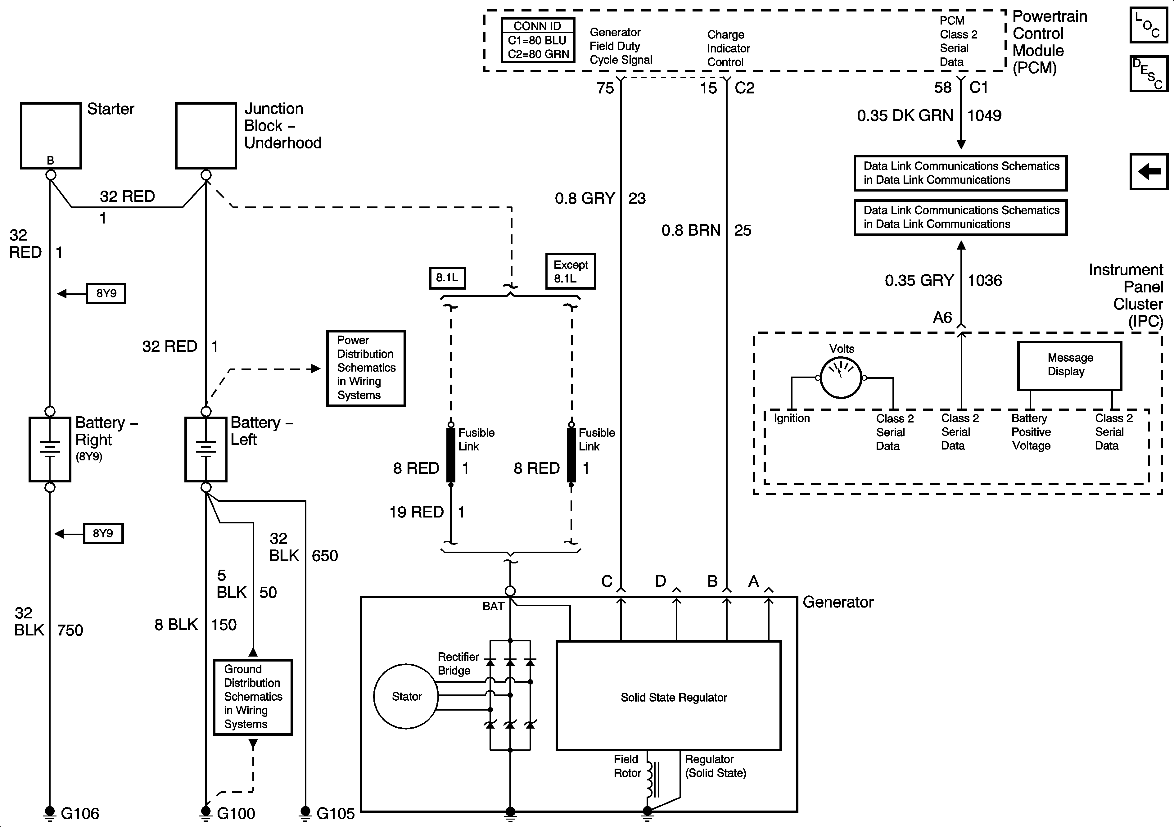
Charging
Charging
Master Electrical Component List
Charging System Description and Operation W/O Generator/Battery Control Module
Starting
G100, G101, G105, G106
B+ Bus - 1 of 2
SP205 - 1 of 2
SP205 - 2 of 2