GM Service Manual Online
For 1990-2009 cars only
Makes
🢒
Cadillac
🢒
2004
🢒
Escalade EXT
🢒 Starting
Starting
Starting
Master Electrical Component List
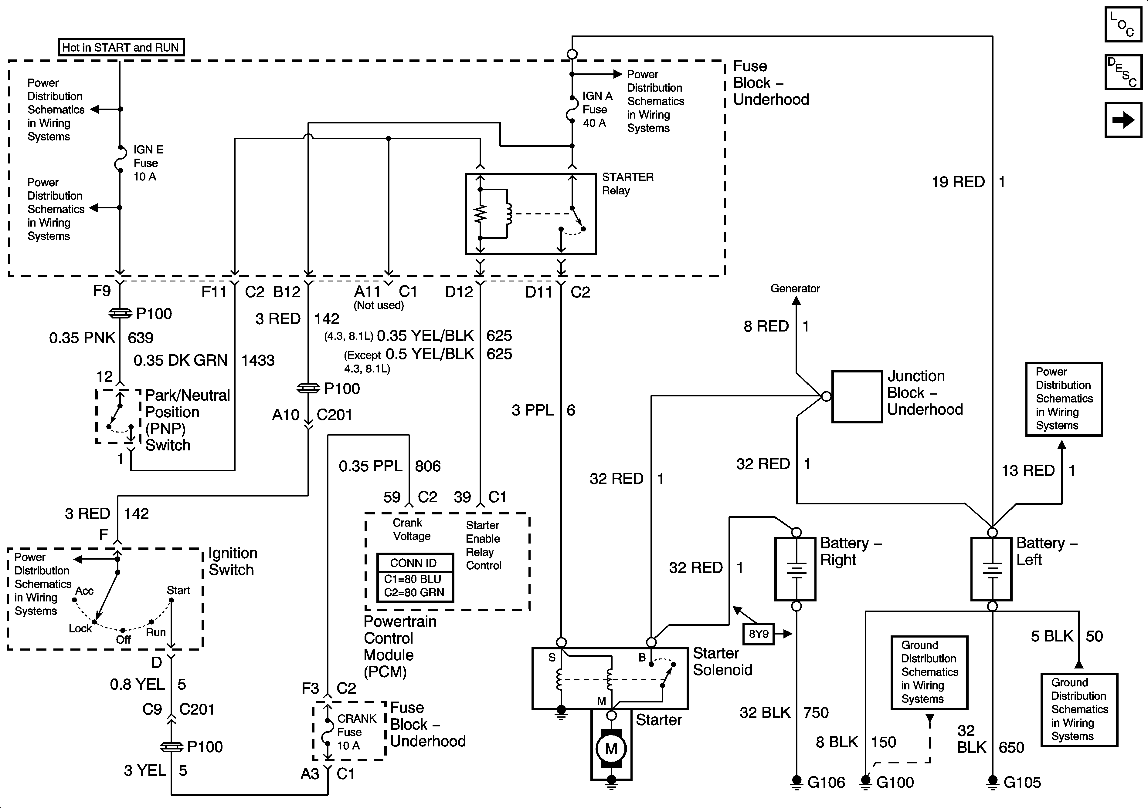
Starting System Description and Operation
Charging
Ignition Switch - ACC/RUN/START, ACC/RUN, and RUN/START Bus Bars
IGN E Fuse
Ignition Switch - START, and RUN Bus Bars
B+ Bus - 1 of 2
Charging
B+ Bus - 1 of 2
G100, G101, G105, G106
G100, G101, G105, G106
Ignition Switch - START, and RUN Bus Bars