GM Service Manual Online
For 1990-2009 cars only
Makes
🢒
Cadillac
🢒
2004
🢒
Escalade EXT
🢒 Power, Ground and Data Link Connector
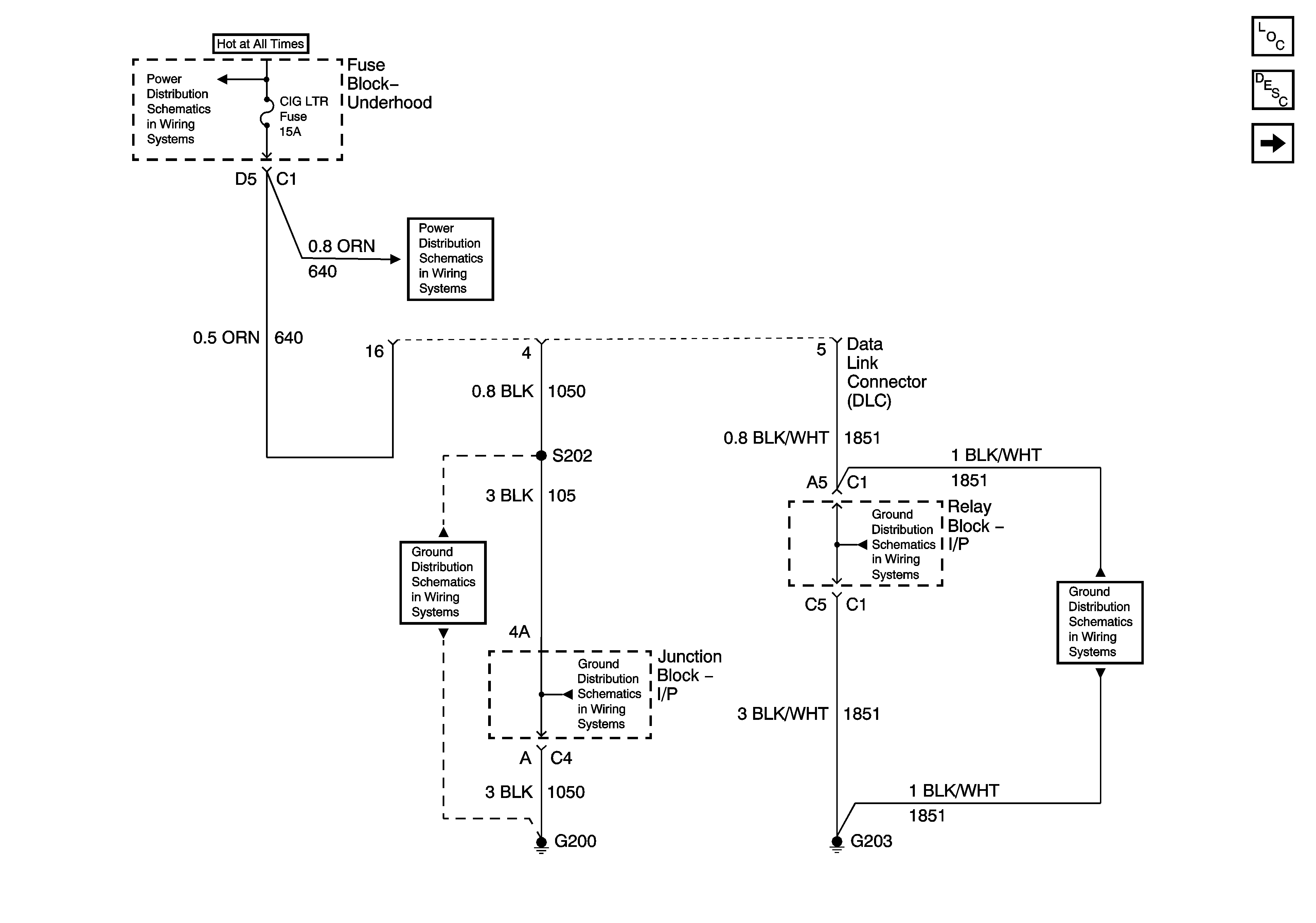
Power, Ground and Data Link Connector
Power, Ground and Data Link Connector
Master Electrical Component List
Data Link Communications Description and Operation
SP205 - 1 of 2
B+ Bus - 1 of 2
INFO, CIG LTR Fuses
G200 - 1 of 3
G200 - 1 of 3
G203 - 1 of 3
G203 - 1 of 3