GM Service Manual Online
For 1990-2009 cars only
Makes
🢒
Cadillac
🢒
2004
🢒
Escalade EXT
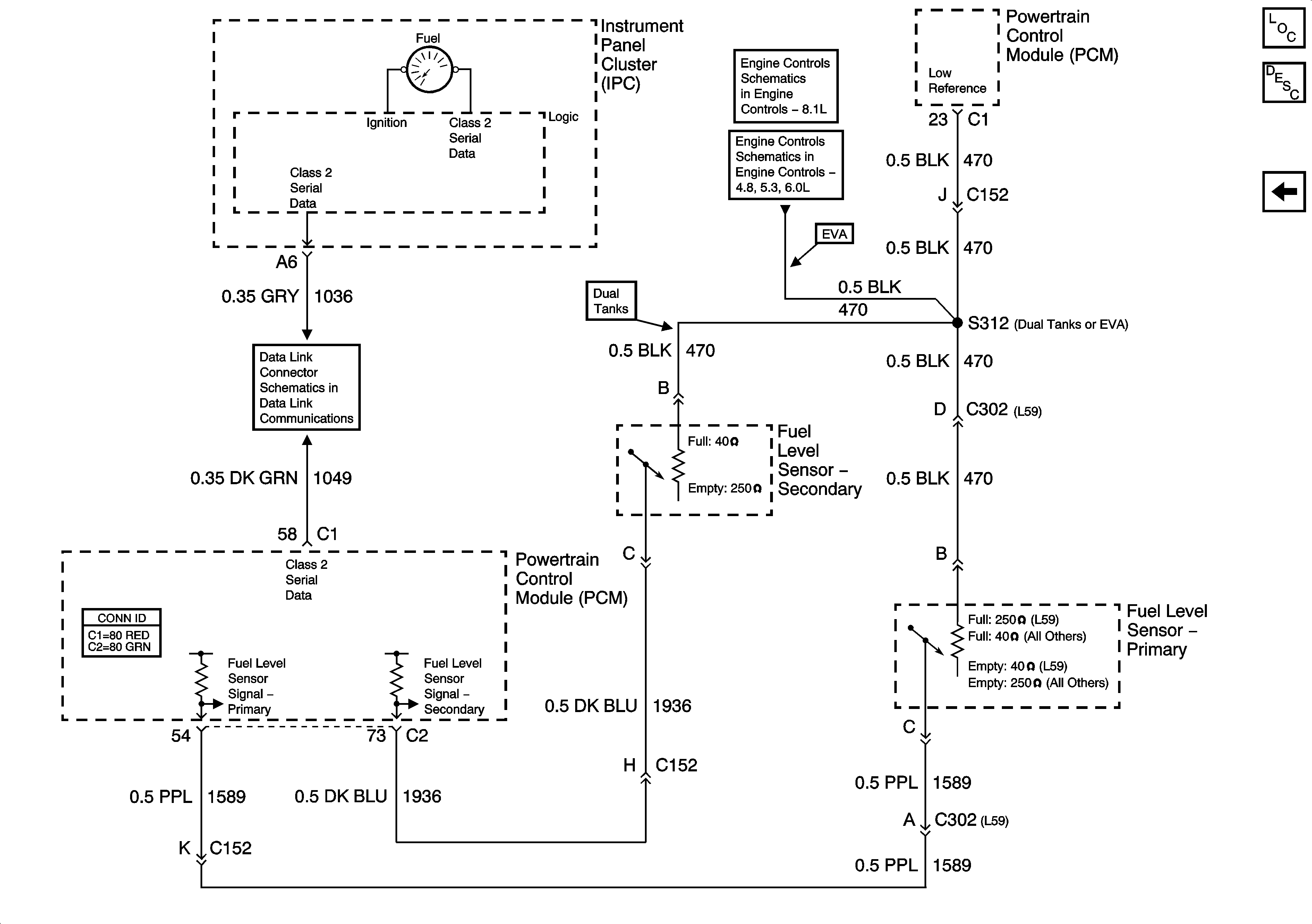
🢒 Fuel Gage
Fuel Gage
Fuel Gage
Master Electrical Component List
Instrument Cluster Description and Operation
Vehicle Speed and Speedometer
SP205 - 2 of 2
Fuel Controls - EVAP Controls and Fuel Tank Pressure
Fuel Controls - EVAP Controls,Fuel Tank Pressure and Fuel Composition