GM Service Manual Online
For 1990-2009 cars only
Makes
🢒
Cadillac
🢒
2004
🢒
Escalade EXT
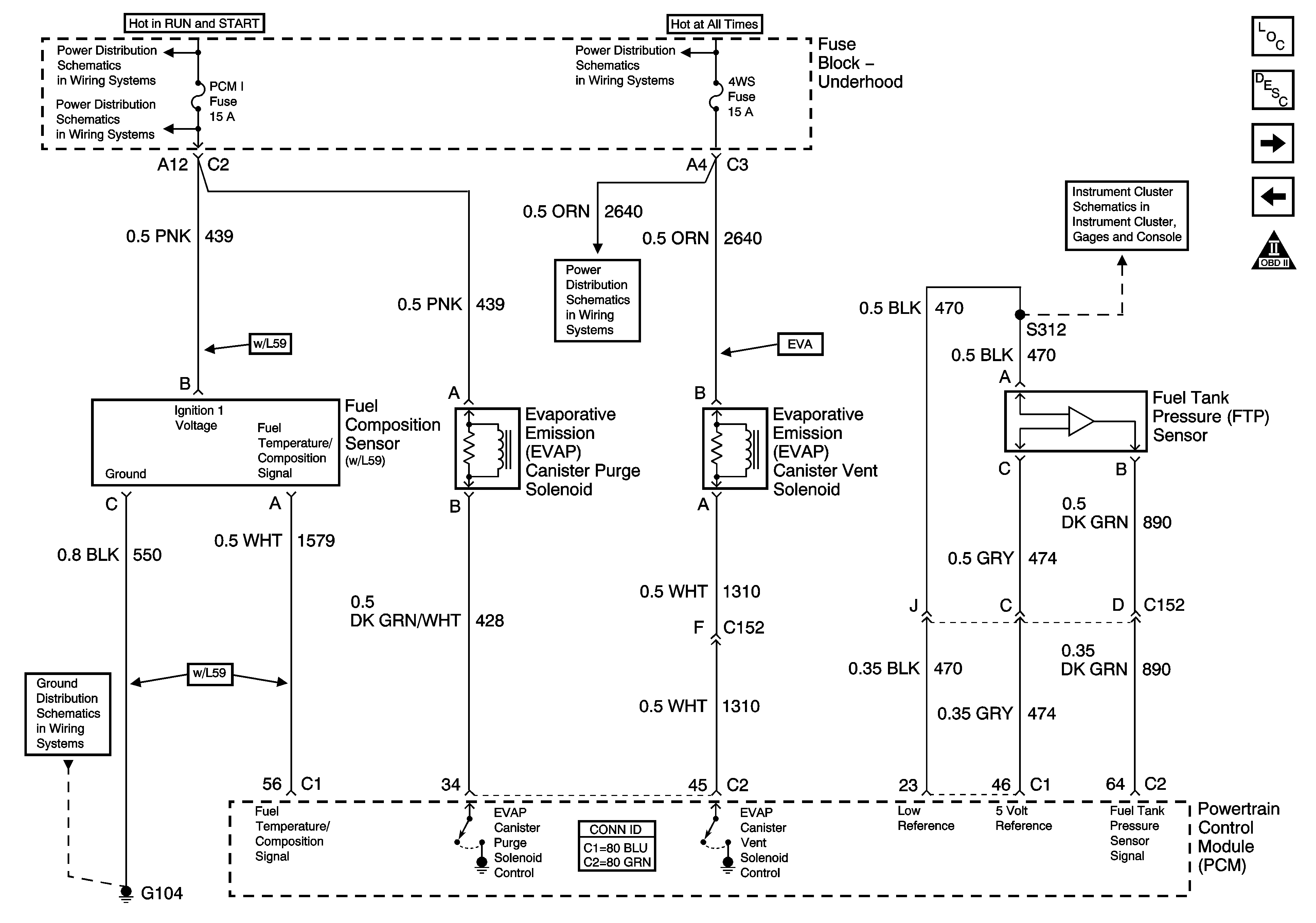
🢒 Fuel Controls - EVAP Controls,Fuel Tank Pressure and Fuel Composition
Fuel Controls - EVAP Controls,Fuel Tank Pressure and Fuel Composition
Fuel Controls - EVAP Controls, Fuel Tank Pressure and Fuel Composition
Master Electrical Component List
Powertrain Control Module Description
Controlled/Monitored Subsystem References - 1 of 2
Fuel Controls - Fuel Injectors
Engine Controls Schematic Icons
IGN 1 Relay Bus Bar, SEO B2, B/U LP, BTSI, TRL B/U Fuses
SBA, ETC/ECM, PCM 1 Fuses
B+ Bus - 1 of 2
4WS, RADIO, RADIO AMP Fuses
Fuel Gage
G104, G107