GM Service Manual Online
For 1990-2009 cars only
Makes
🢒
Cadillac
🢒
2004
🢒
Escalade EXT
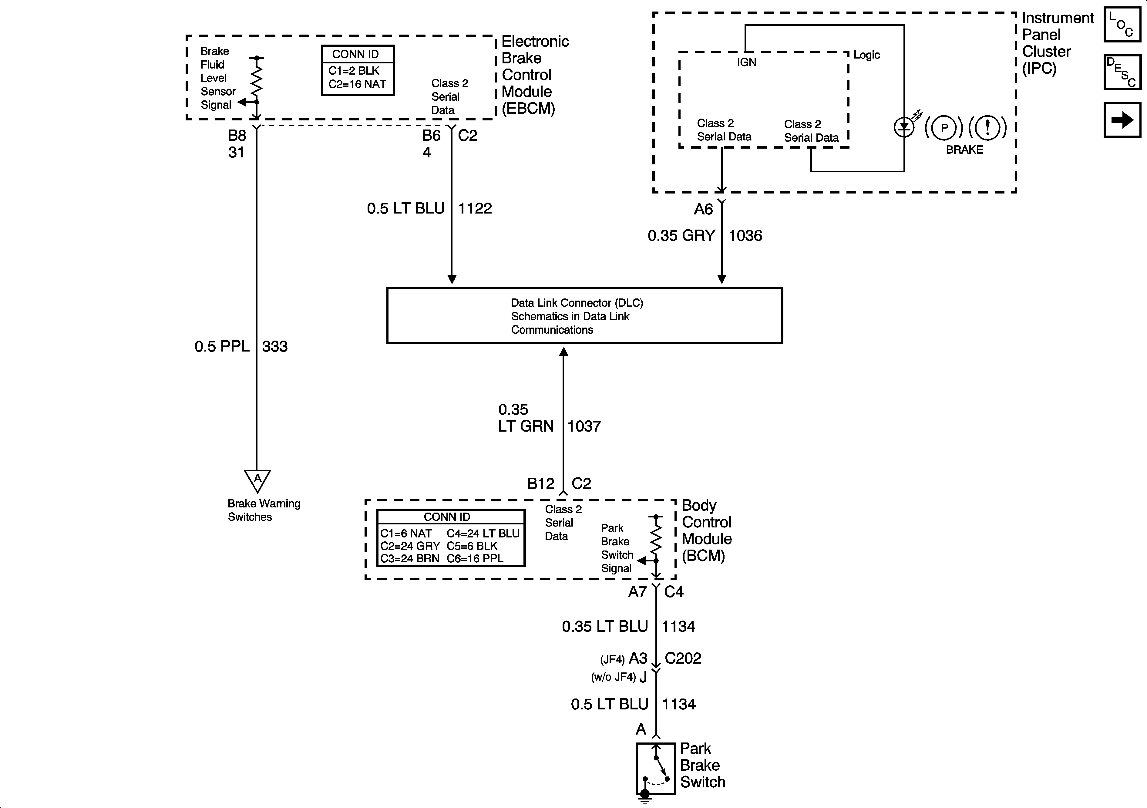
🢒 Serial Data and Park Brake Signal
Serial Data and Park Brake Signal
Serial Data and Park Brake Signal
Master Electrical Component List
Hydraulic Brake System Description and Operation
Pressure Level Switches
SP205 - 1 of 2
Pressure Level Switches