GM Service Manual Online
For 1990-2009 cars only
Makes
🢒
Cadillac
🢒
2004
🢒
Escalade EXT
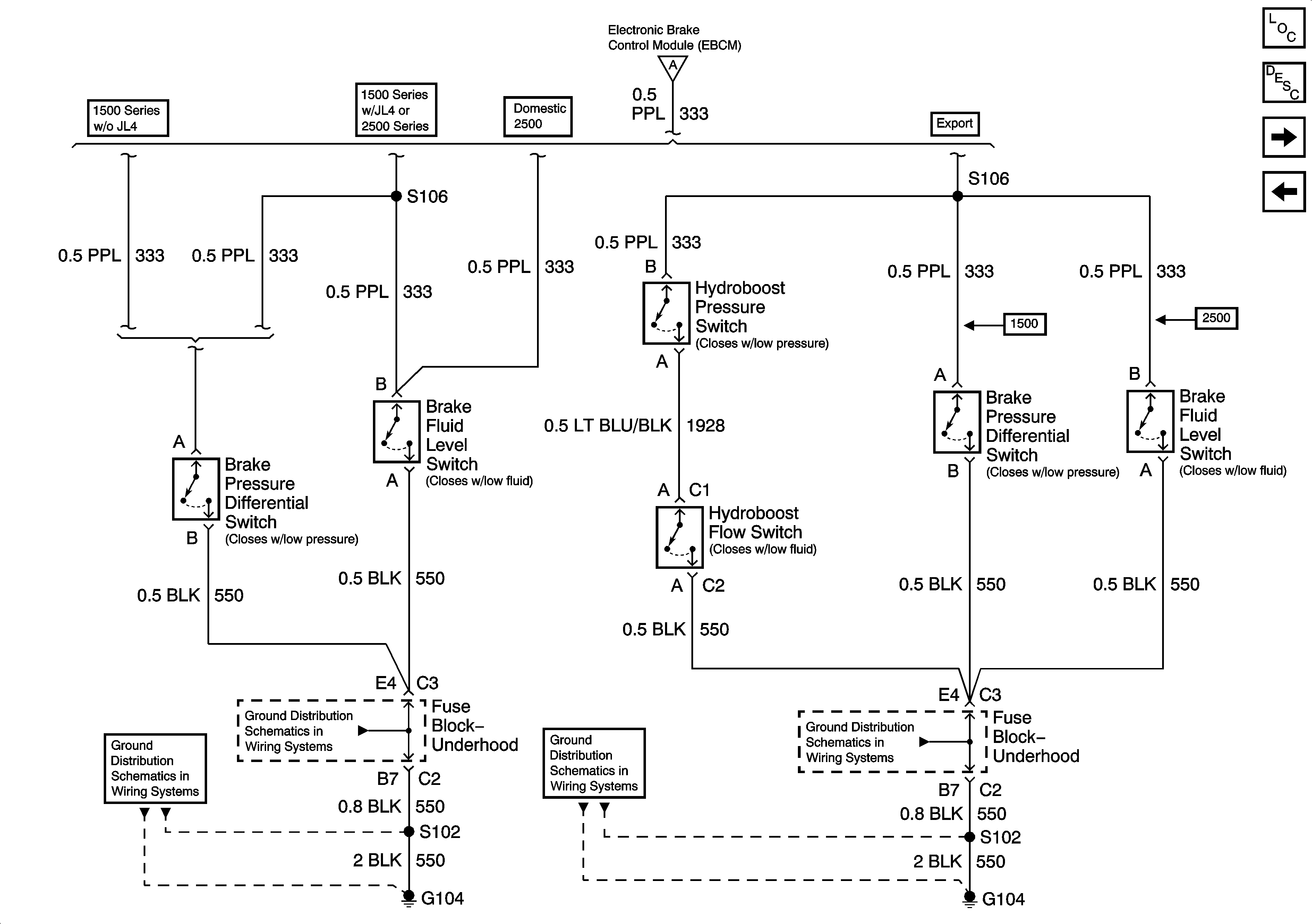
🢒 Pressure Level Switches
Pressure Level Switches
Fluid Switches
Master Electrical Component List
Hydraulic Brake System Description and Operation
Supplemental Brake Assist
Serial Data and Park Brake Signal
Serial Data and Park Brake Signal
G104, G107
G104, G107
G104, G107
G104, G107