GM Service Manual Online
For 1990-2009 cars only
Makes
🢒
Cadillac
🢒
2004
🢒
Escalade EXT
🢒 Engine Data Sensors - Pressure, Temperature and VSS
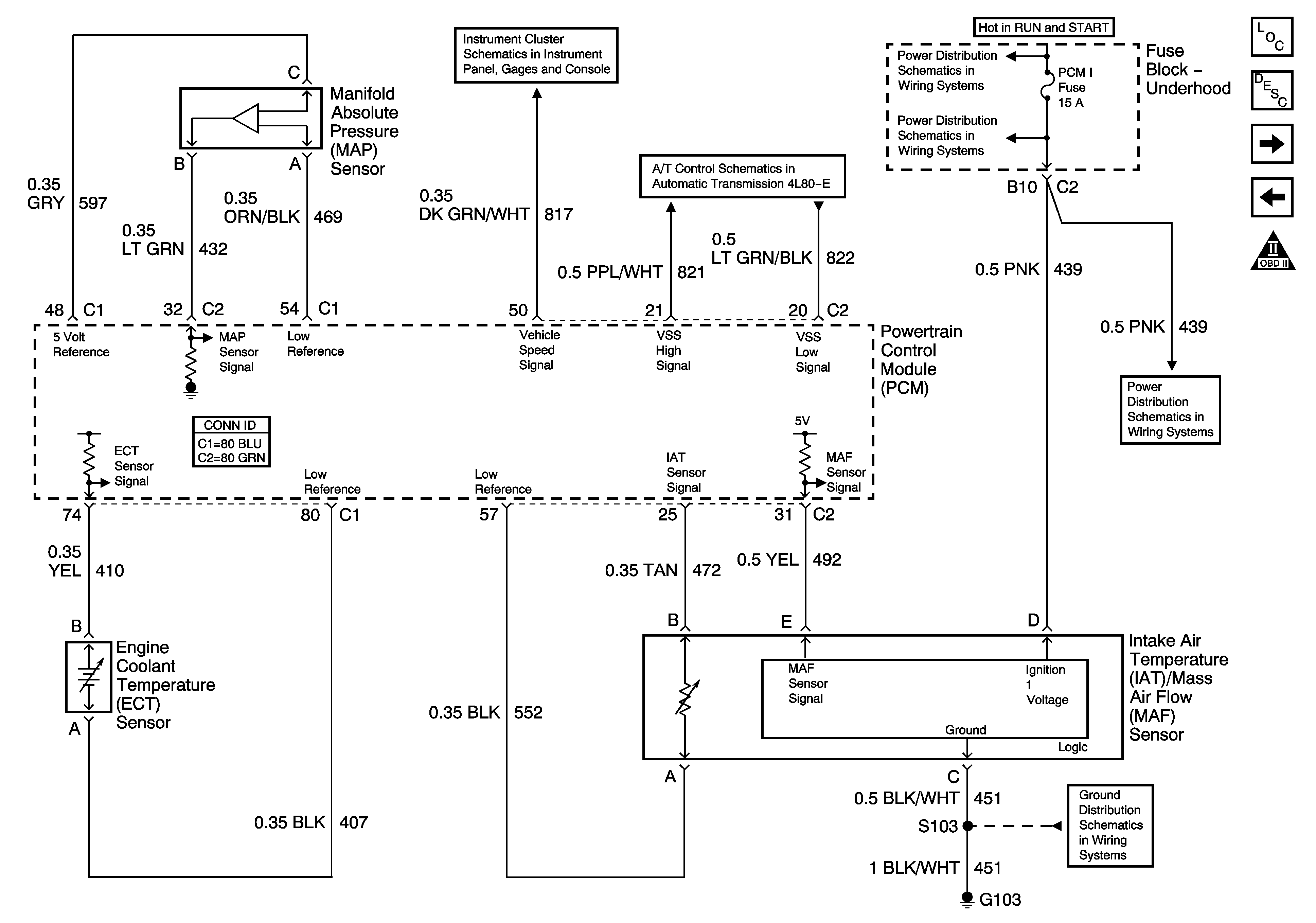
Engine Data Sensors - Pressure, Temperature and VSS
Engine Data Sensors - Pressure, Temperature and VSS
Master Electrical Component List
Powertrain Control Module Description
Engine Data Sensors - HO2S
Module Power, Ground, Serial Data and MIL
Engine Controls Schematic Icons
Vehicle Speed and Speedometer
Vehicle Speed Signal and 4WD Low Signal
IGN 1 Relay Bus Bar, SEO B2, B/U LP, BTSI, TRL B/U Fuses
SBA, ETC/ECM, PCM 1 Fuses
SBA, ETC/ECM, PCM 1 Fuses
G102, G103