GM Service Manual Online
For 1990-2009 cars only
Makes
🢒
Cadillac
🢒
2005
🢒
Escalade EXT
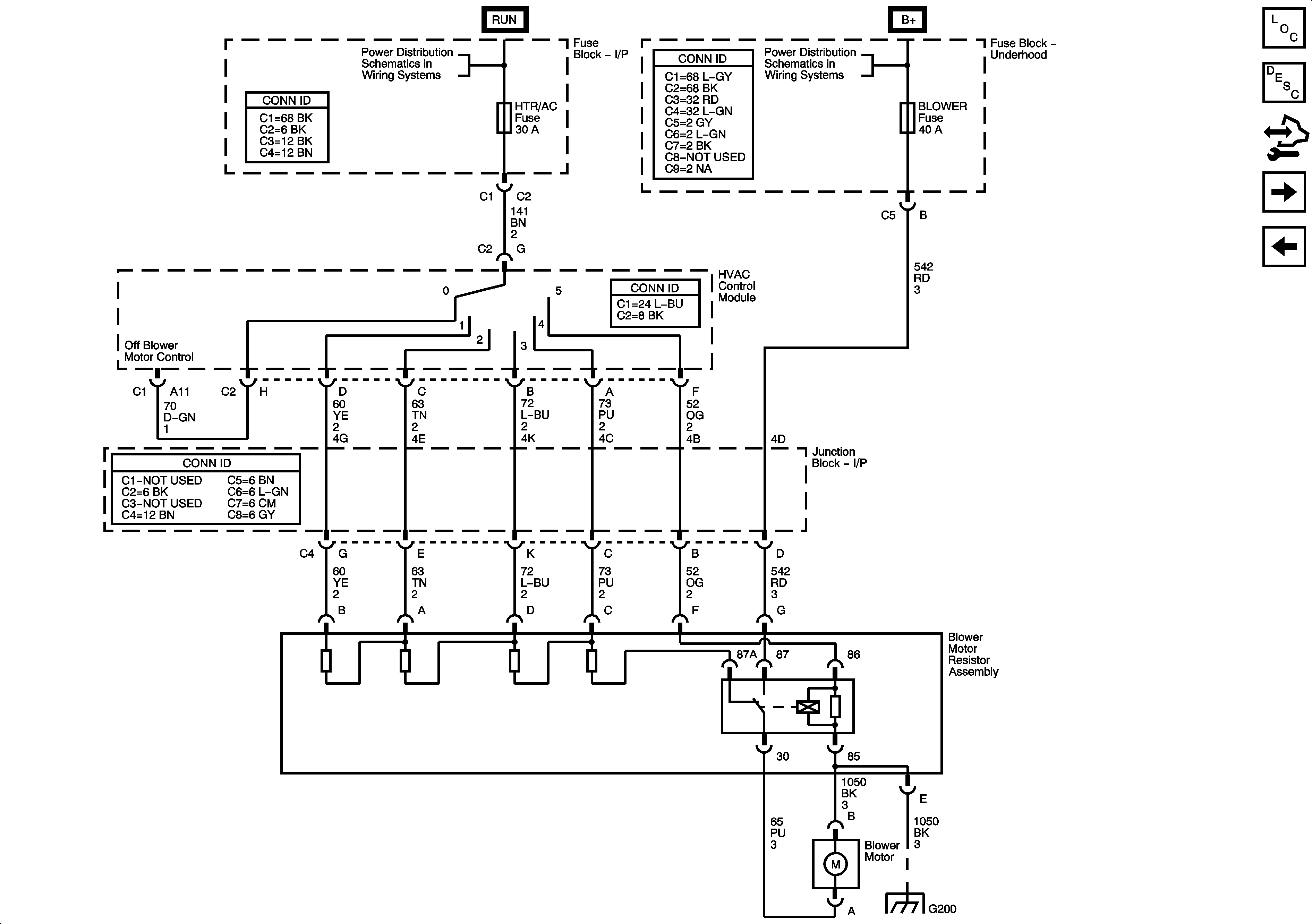
🢒 Front Blower Controls
Front Blower Controls
Front Blower Controls
Master Electrical Component List
Air Delivery Description and Operation
Control Module References
Front Left and Right Temperature Controls
Power, Ground, and Serial Data
BRAKE, CRUISE, IGN 2, HTR/AC, HVAC 1, and 4WD Fuses
BLOWER, FLASH, HVAC/ECAS, LBEC 1, RR DEFOG, RR HVAC, TBC 2A, TBC 2B, and TBC 2C Fuses, and LT DOOR Breaker
G200 - 1 of 3