GM Service Manual Online
For 1990-2009 cars only
Makes
🢒
Cadillac
🢒
2005
🢒
Escalade EXT
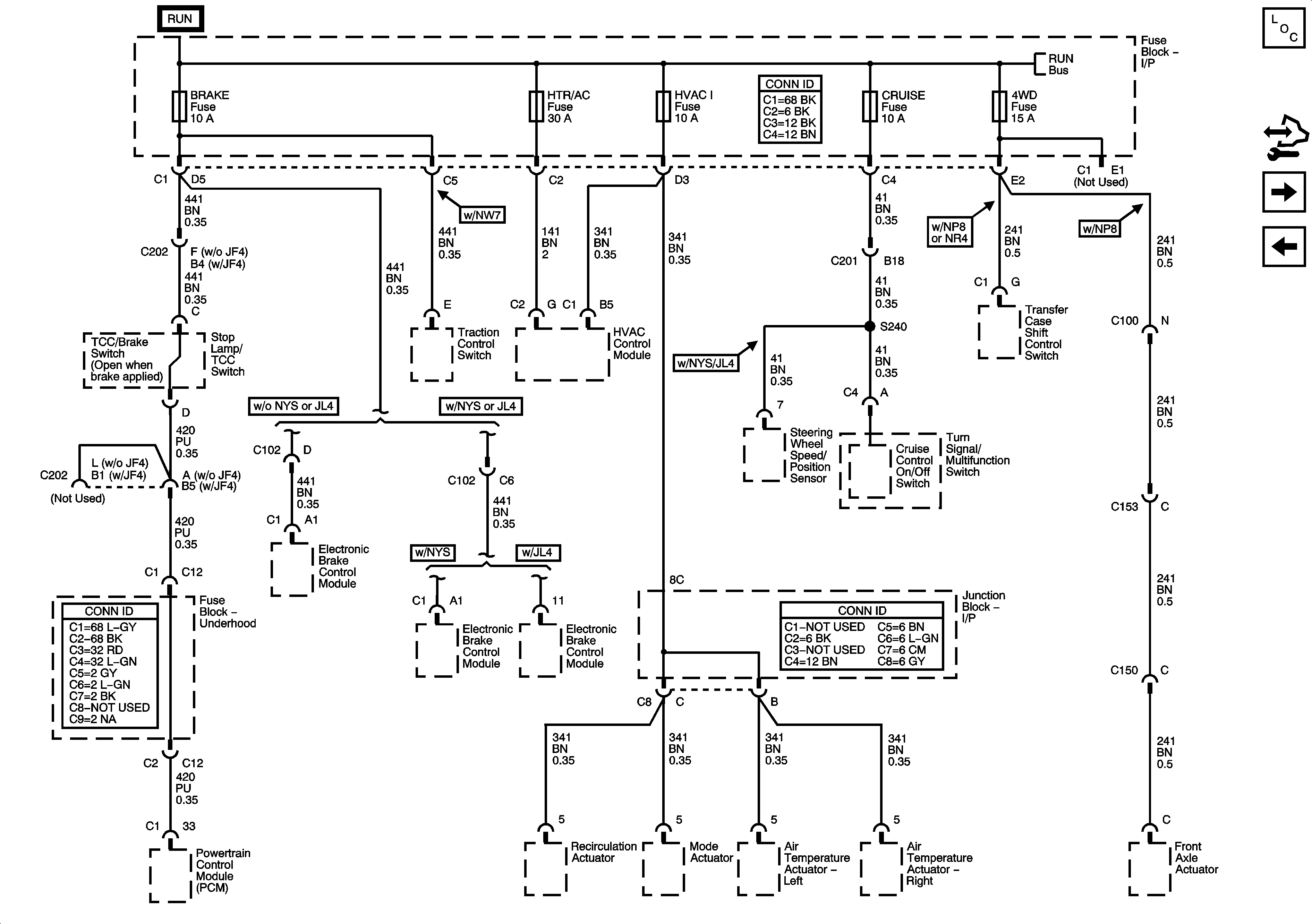
🢒 BRAKE, CRUISE, IGN 2, HTR/AC, HVAC 1, and 4WD Fuses
BRAKE, CRUISE, IGN 2, HTR/AC, HVAC 1, and 4WD Fuses
BRAKE, CRUISE, IGN 2, HTR/AC, HVAC 1, and 4WD Fuses
Master Electrical Component List
Control Module References
IGN 0, RR WPR, SEO ACCY, TBC ACCY, TBC IGN 0, and WS WPR Fuses
Ignition Switch - ACCY/RUN and RUN/START Busses, and IGN B Fuse
Ignition Switch - ACCY/RUN/START, RUN, and START Busses, IGN A and CRANK Fuses