GM Service Manual Online
For 1990-2009 cars only
Makes
🢒
Cadillac
🢒
2005
🢒
Escalade EXT
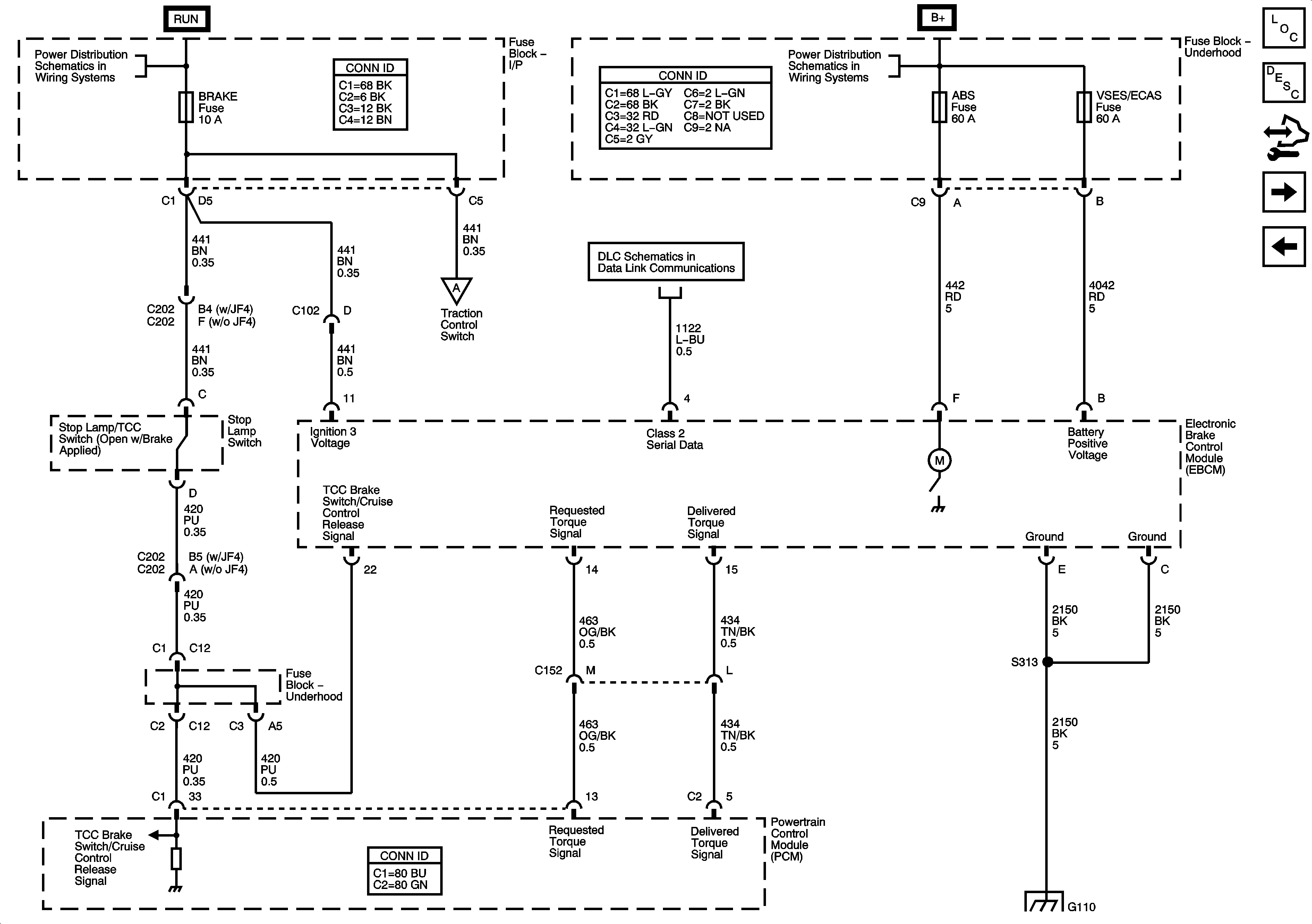
🢒 Power, Ground, Serial Data, and Stop Lamp Switch - w/JL4
Power, Ground, Serial Data, and Stop Lamp Switch - w/JL4
Power, Ground, Serial Data, and Stop Lamp Switch - w/JL4
Master Electrical Component List
ABS Description and Operation (W/JL4)
Control Module References
Wheel Speed Sensors - w/JL4
Stop Lamp Switch and Traction Control Switch - w/o JL4
Ignition Switch - ACCY/RUN/START, RUN, and START Busses, IGN A and CRANK Fuses
Traction Control Switch and Precharge Pump - w/JL4
Power, Ground, DLC, and Splice Pack SP205
B+ Bus - 1 of 2
G101 and G110