GM Service Manual Online
For 1990-2009 cars only
Makes
🢒
Cadillac
🢒
2005
🢒
Escalade EXT
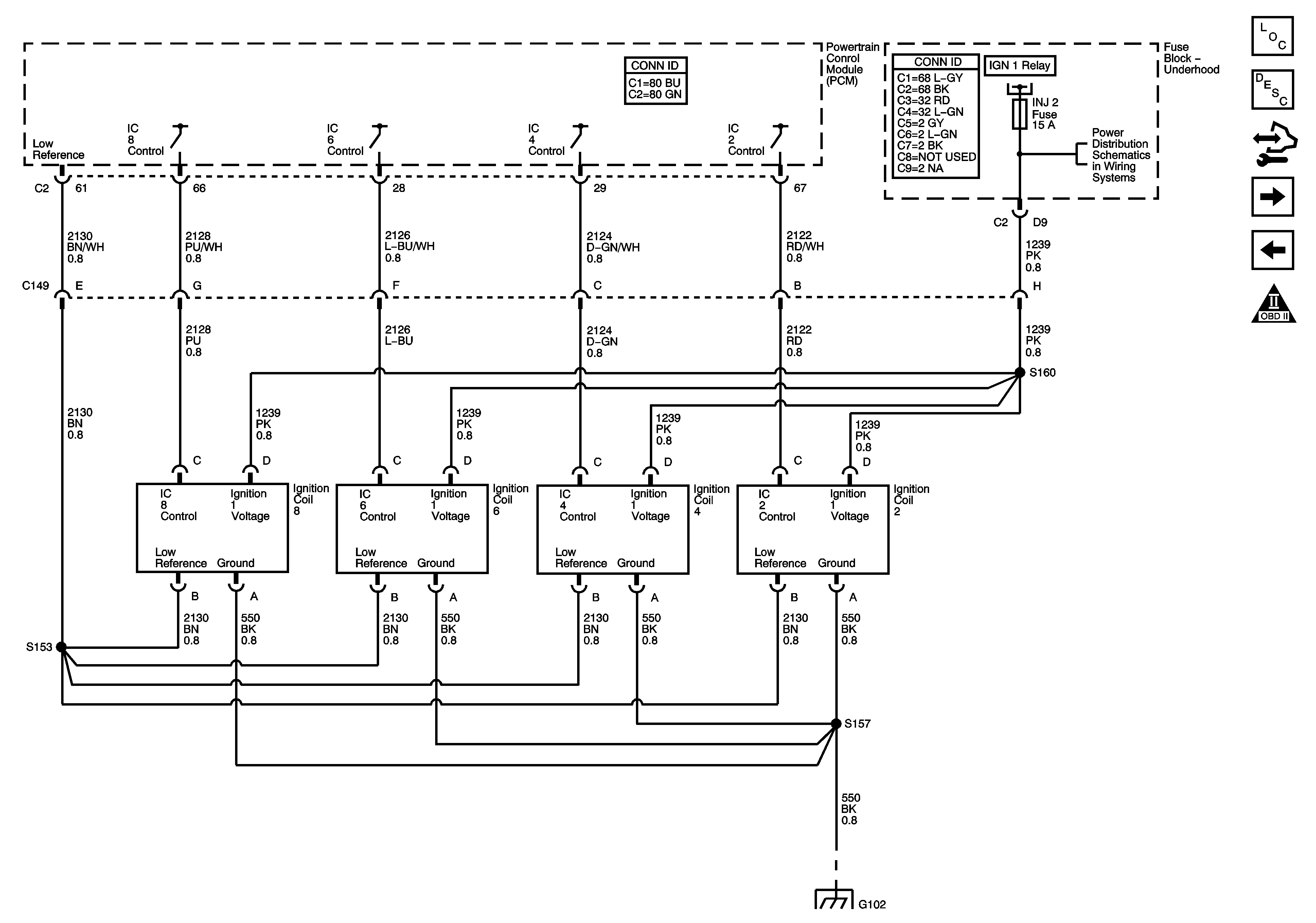
🢒 Ignition Controls - Ignition System Coil 2, 4, 6, and 8
Ignition Controls - Ignition System Coil 2, 4, 6, and 8
Ignition Controls - Ignition System Coil 2, 4, 6, and 8
Master Electrical Component List
Electronic Ignition (EI) System Description
Control Module References
Ignition Controls - Sensors
Ignition Controls - Ignition System Coil 1, 3, 5, and 7
Engine Controls Schematic Icons
Power, Ground, Serial Data, and MIL
IGN 1 Relay Bus - 1 of 2 - ETC/ECM, PCM I, and SBA Fuses - Complete; INJ 1 and INJ 2 Fuses - Except L18
G102 and G103