GM Service Manual Online
For 1990-2009 cars only
Makes
🢒
Cadillac
🢒
2005
🢒
Escalade EXT
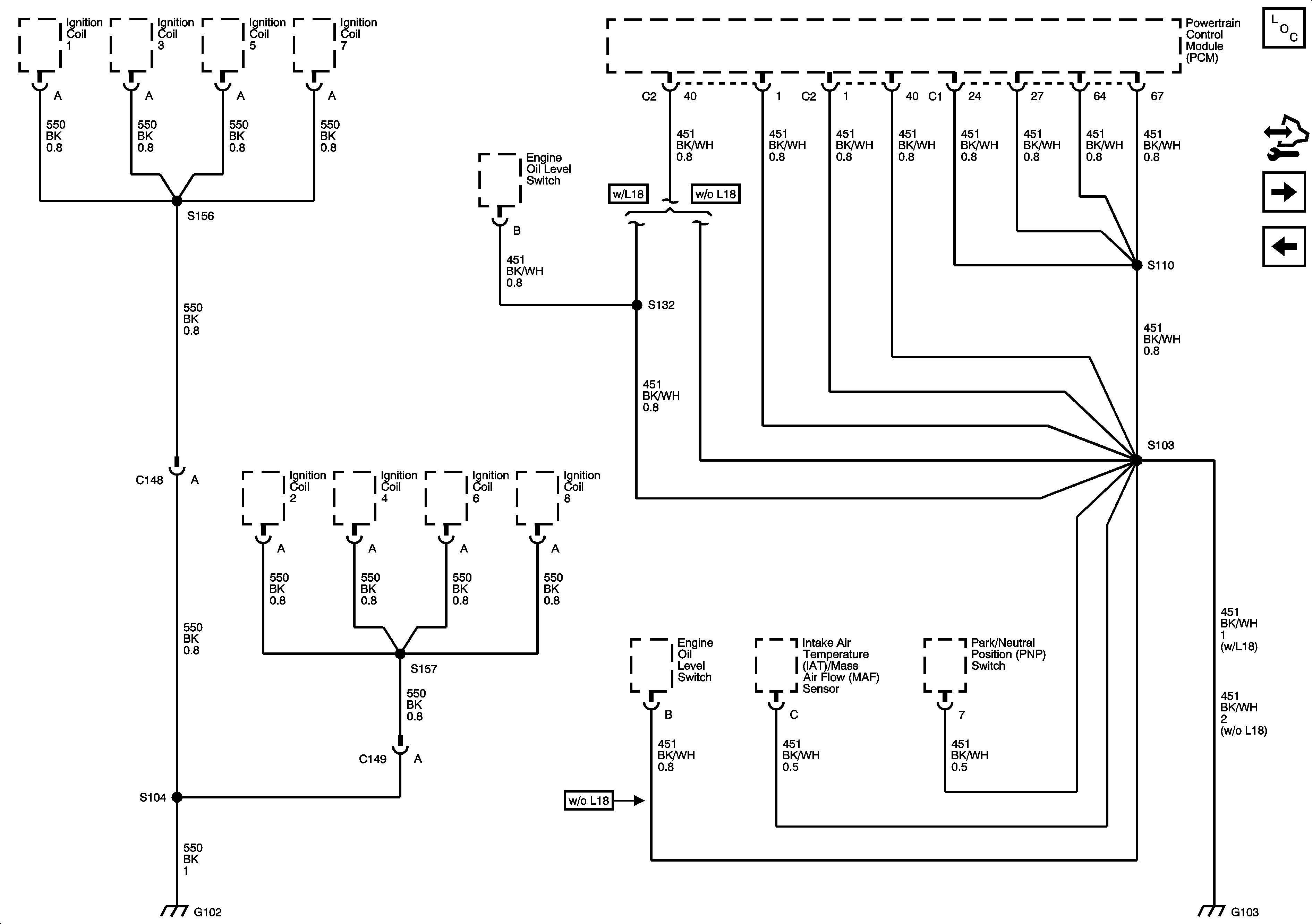
🢒 G102 and G103
G102 and G103
G102 and G103
Master Electrical Component List
Control Module References
G104 and G107
G100 and G105 - 4 of 4