GM Service Manual Online
For 1990-2009 cars only
Makes
🢒
Cadillac
🢒
2005
🢒
Escalade EXT
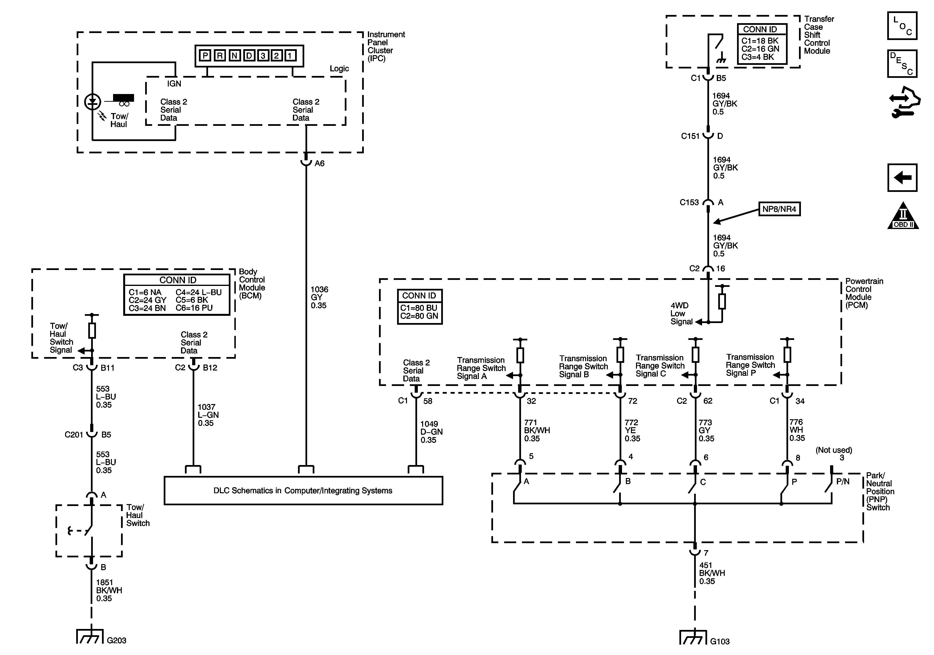
🢒 PNP Switch, 4WD Signal, Tow/Haul, Serial Data, and Indicator
PNP Switch, 4WD Signal, Tow/Haul, Serial Data, and Indicator
PNP Switch, 4WD Signal, Tow/Haul, Serial Data, and Indicator
Master Electrical Component List
Electronic Component Description
Control Module References
Pressure Controls, Temperature, and VSS
Engine Controls Schematic Icons
G203 - 3 of 3
Power, Ground, DLC, and Splice Pack SP205
G102 and G103