GM Service Manual Online
For 1990-2009 cars only
Makes
🢒
Cadillac
🢒
2005
🢒
Escalade EXT
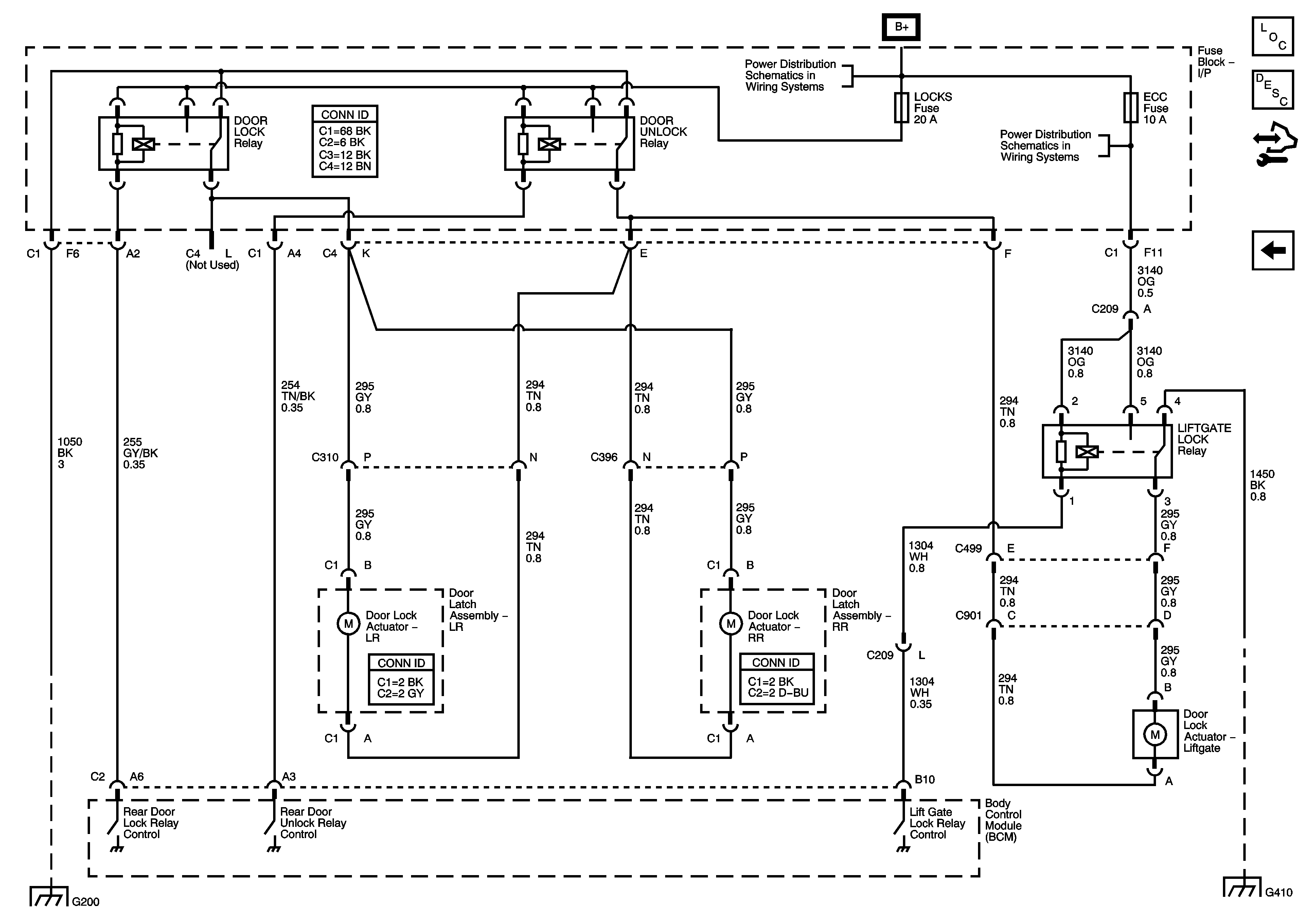
🢒 Rear Door and Liftgate Locks
Rear Door and Liftgate Locks
Rear Door and Liftgate Locks
Master Electrical Component List
Power Door Locks Description and Operation
Control Module References
Driver and Front Passenger Door Locks and Indicator Schematics
AUX PWR, AUX PWR 2, DDM, ECC, LBEC 2, LOCKS, PCM B, and PDM Fuses
AUX PWR, AUX PWR 2, DDM, ECC, LBEC 2, LOCKS, PCM B, and PDM Fuses
G410 1 of 3
G200 - 3 of 3 - S345