GM Service Manual Online
For 1990-2009 cars only
Makes
🢒
Cadillac
🢒
2005
🢒
Escalade EXT
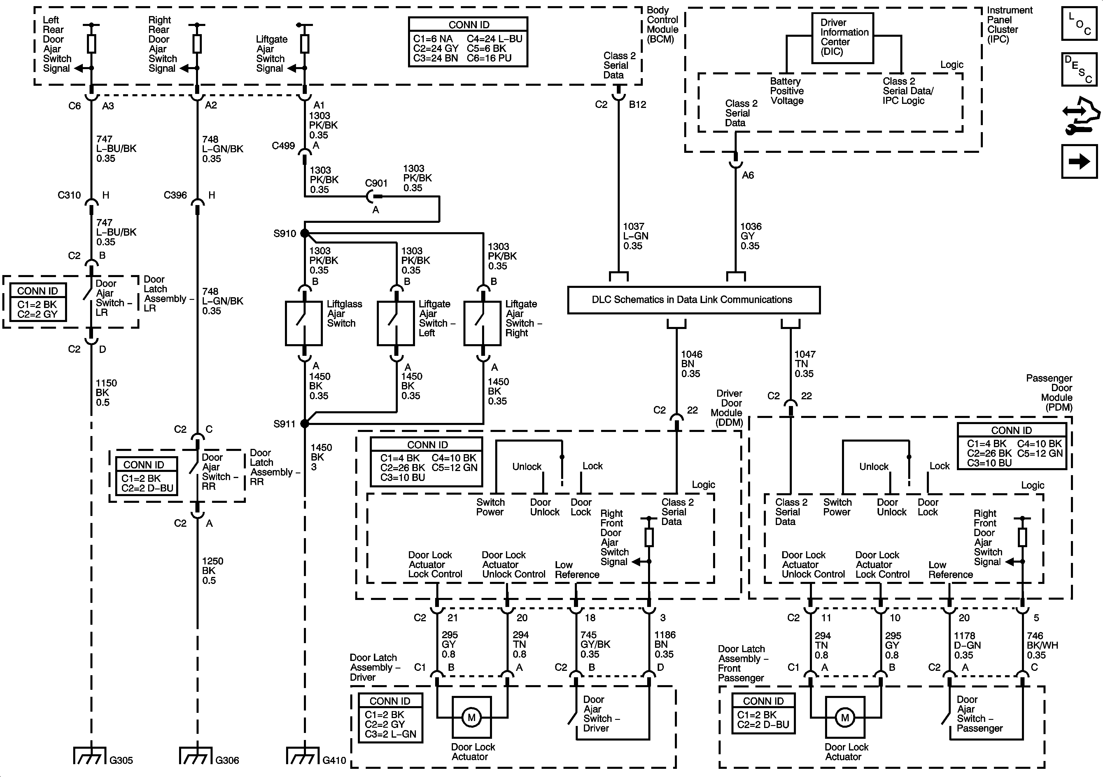
🢒 Driver and Front Passenger Door Locks and Indicator Schematics
Driver and Front Passenger Door Locks and Indicator Schematics
Driver and Front Passenger Locks and Indicator Schematics
Master Electrical Component List
Door Ajar Indicator Description and Operation
Control Module References
Rear Door and Liftgate Locks
Power, Ground, DLC, and Splice Pack SP205
G410 1 of 3
G306
G304 and G305