GM Service Manual Online
For 1990-2009 cars only
Makes
🢒
Cadillac
🢒
2005
🢒
Escalade EXT
🢒 Audible Warnings
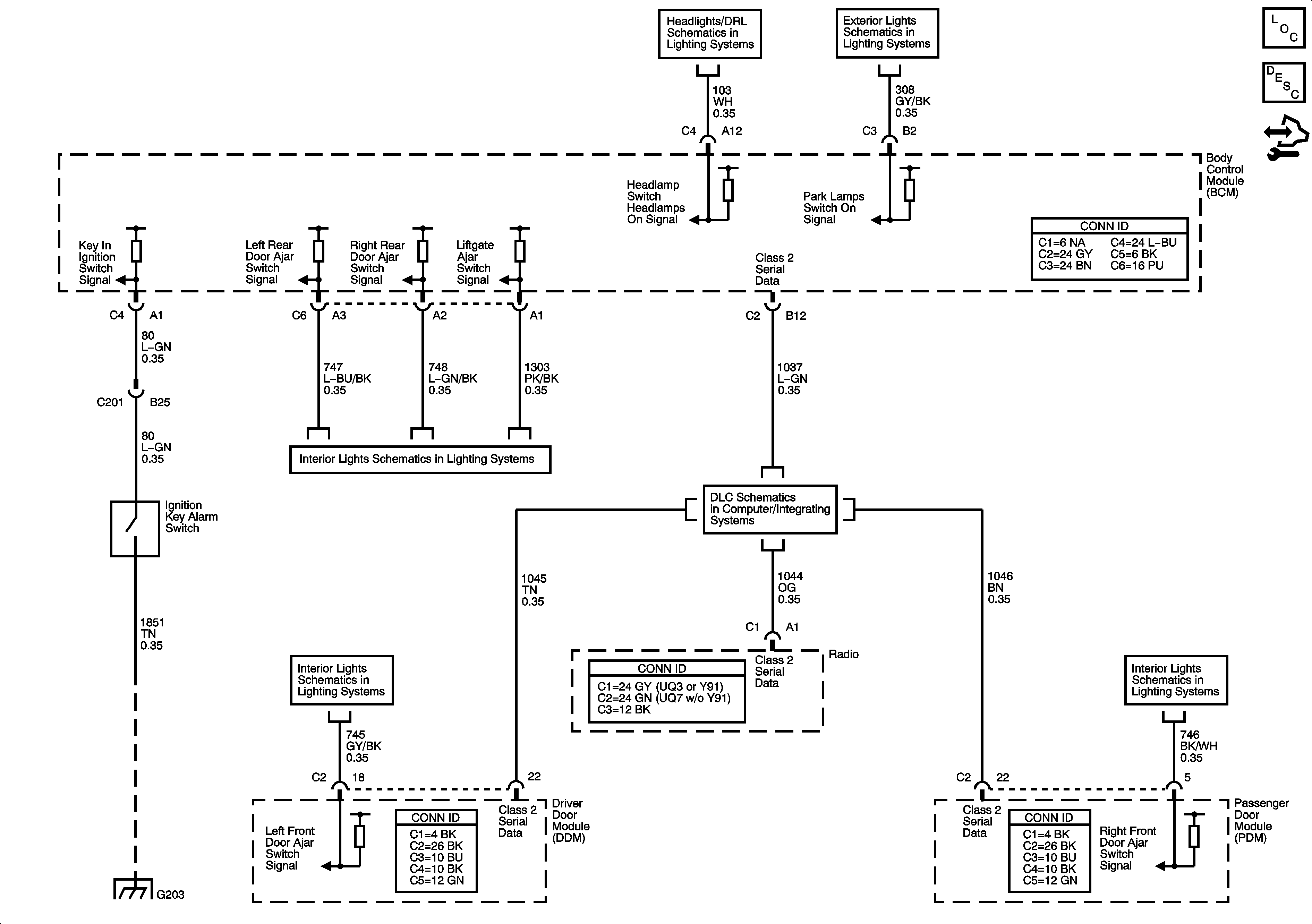
Audible Warnings
Master Electrical Component List
Audible Warnings Description and Operation
Control Module References
Headlights/DRL Controls
Park Lamp Relay - w/VD1
Door Switch Inputs and Door Courtesy Lamps
Power, Ground, DLC, and Splice Pack SP205
Door Switch Inputs and Door Courtesy Lamps
Door Switch Inputs and Door Courtesy Lamps
G203 - 3 of 3