GM Service Manual Online
For 1990-2009 cars only
Makes
🢒
Cadillac
🢒
2005
🢒
Escalade EXT
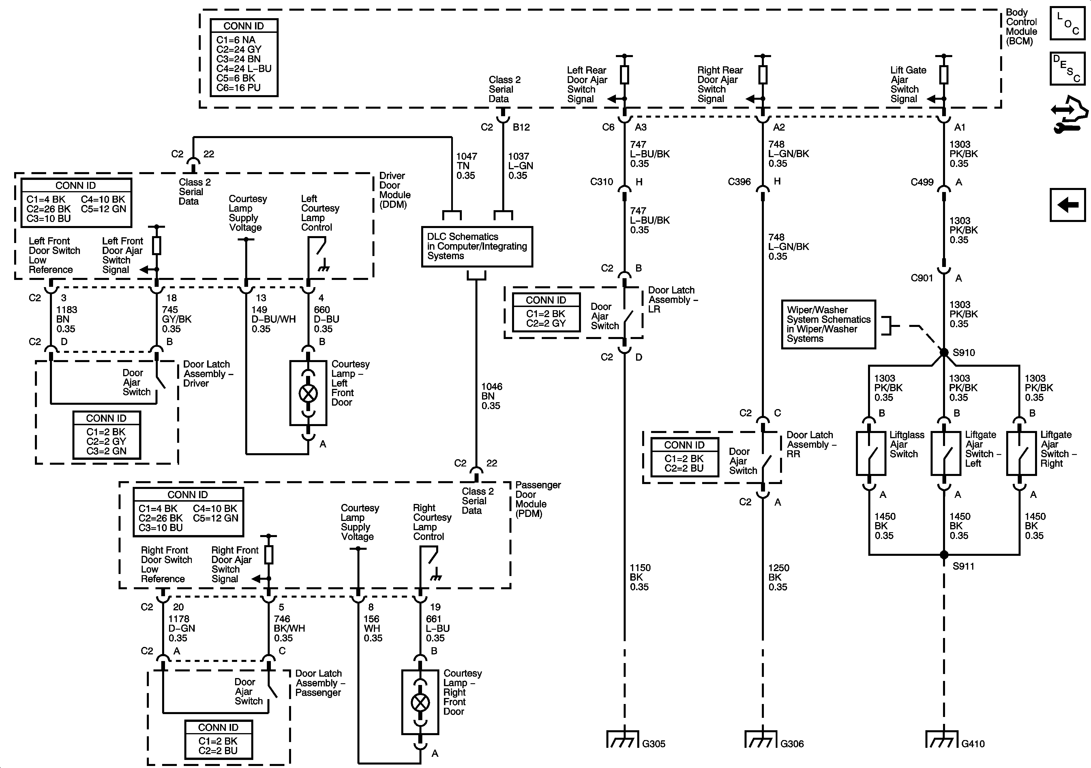
🢒 Door Switch Inputs and Door Courtesy Lamps
Door Switch Inputs and Door Courtesy Lamps
Switch Inputs and Door Courtesy Lamps
Master Electrical Component List
Interior Lighting Systems Description and Operation
Control Module References
Interior Lamps - 3rd Row and Cargo - Escalade ESV w/ULT
Power, Ground, DLC, and Splice Pack SP205
RearWiper/Washer Control
G304 and G305
G306
G410 1 of 3