GM Service Manual Online
For 1990-2009 cars only
Makes
🢒
Cadillac
🢒
2005
🢒
Escalade EXT
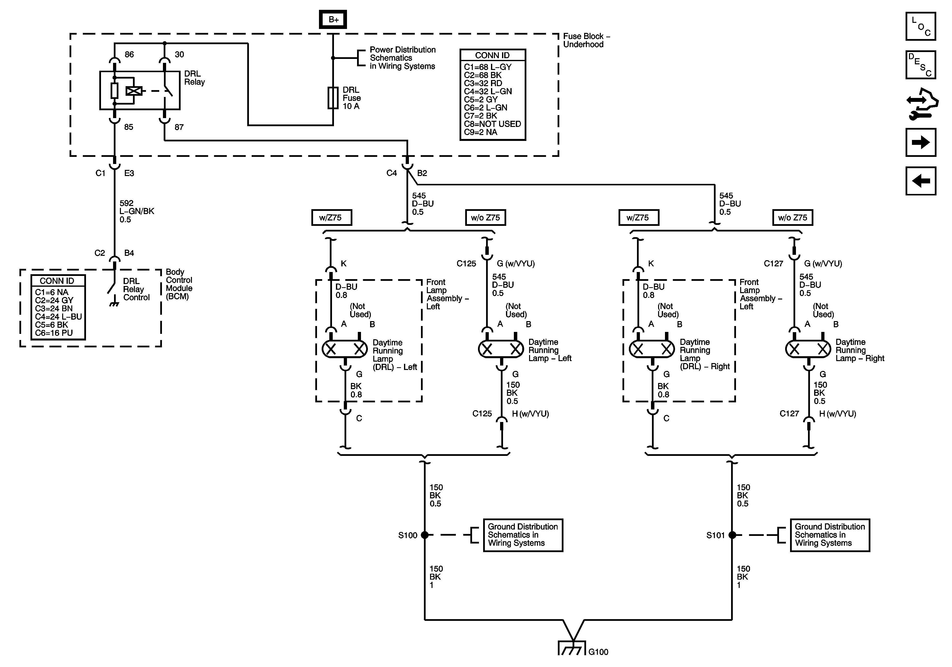
🢒 Daytime Running Lamps (DRL) - w/o VD1
Daytime Running Lamps (DRL) - w/o VD1
Daytime Running Lamps (DRL) - Except VD1
Master Electrical Component List
Exterior Lighting Systems Description and Operation
Control Module References
Daytime Running Lamps (DRL) - w/VD1
Headlights w/Z75
B+ Bus - 1 of 2
G100 and G105 - 2 of 4
G100 and G105 - 1 of 4
G100 and G105 - 1 of 4