GM Service Manual Online
For 1990-2009 cars only
Makes
🢒
Cadillac
🢒
2005
🢒
Escalade EXT
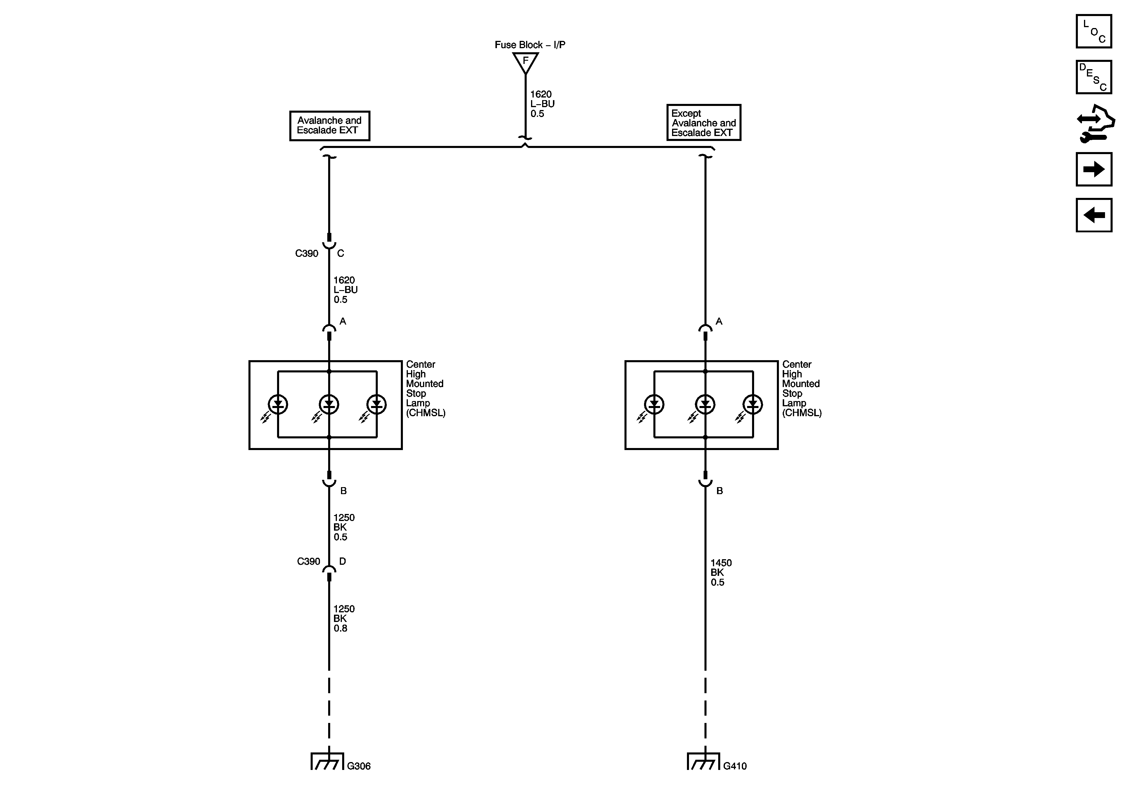
🢒 Stop Lamps - 2 of 2
Stop Lamps - 2 of 2
Stop Lamps 2 of 2
Master Electrical Component List
Exterior Lighting Systems Description and Operation
Control Module References
Turn Signal/Multifunction Switch
Stop Lamps - 1 of 2
Stop Lamps - 1 of 2
G410 1 of 3
G306