GM Service Manual Online
For 1990-2009 cars only
Makes
🢒
Cadillac
🢒
2005
🢒
Escalade EXT
🢒 Turn Signal/Multifunction Switch
Turn Signal/Multifunction Switch
Turn Signal/Malfunction Switch
Master Electrical Component List
Exterior Lighting Systems Description and Operation
Control Module References
Left Turn Signals - w/o VD1
Stop Lamps - 2 of 2
Ignition Switch - ACCY/RUN and RUN/START Busses, and IGN B Fuse
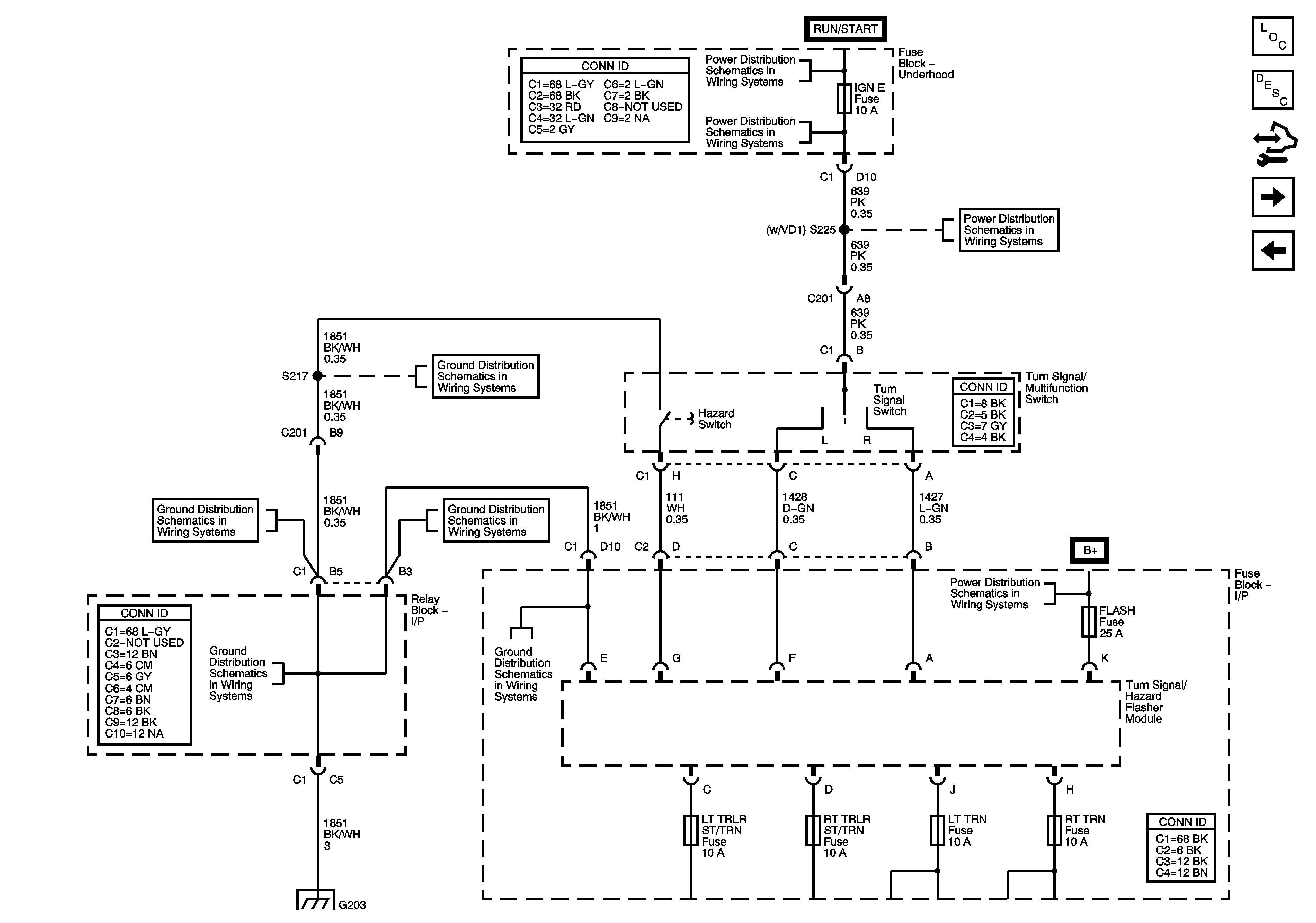
IGN E and SIR Fuses
IGN E and SIR Fuses
BLOWER, FLASH, HVAC/ECAS, LBEC 1, RR DEFOG, RR HVAC, TBC 2A, TBC 2B, and TBC 2C Fuses, and LT DOOR Breaker
G203 - 2 of 3
G203 - 2 of 3
G203 - 3 of 3
G203 - 2 of 3
G203 - 2 of 3
G203 - 1 of 3