GM Service Manual Online
For 1990-2009 cars only
Makes
🢒
Cadillac
🢒
2005
🢒
Escalade EXT
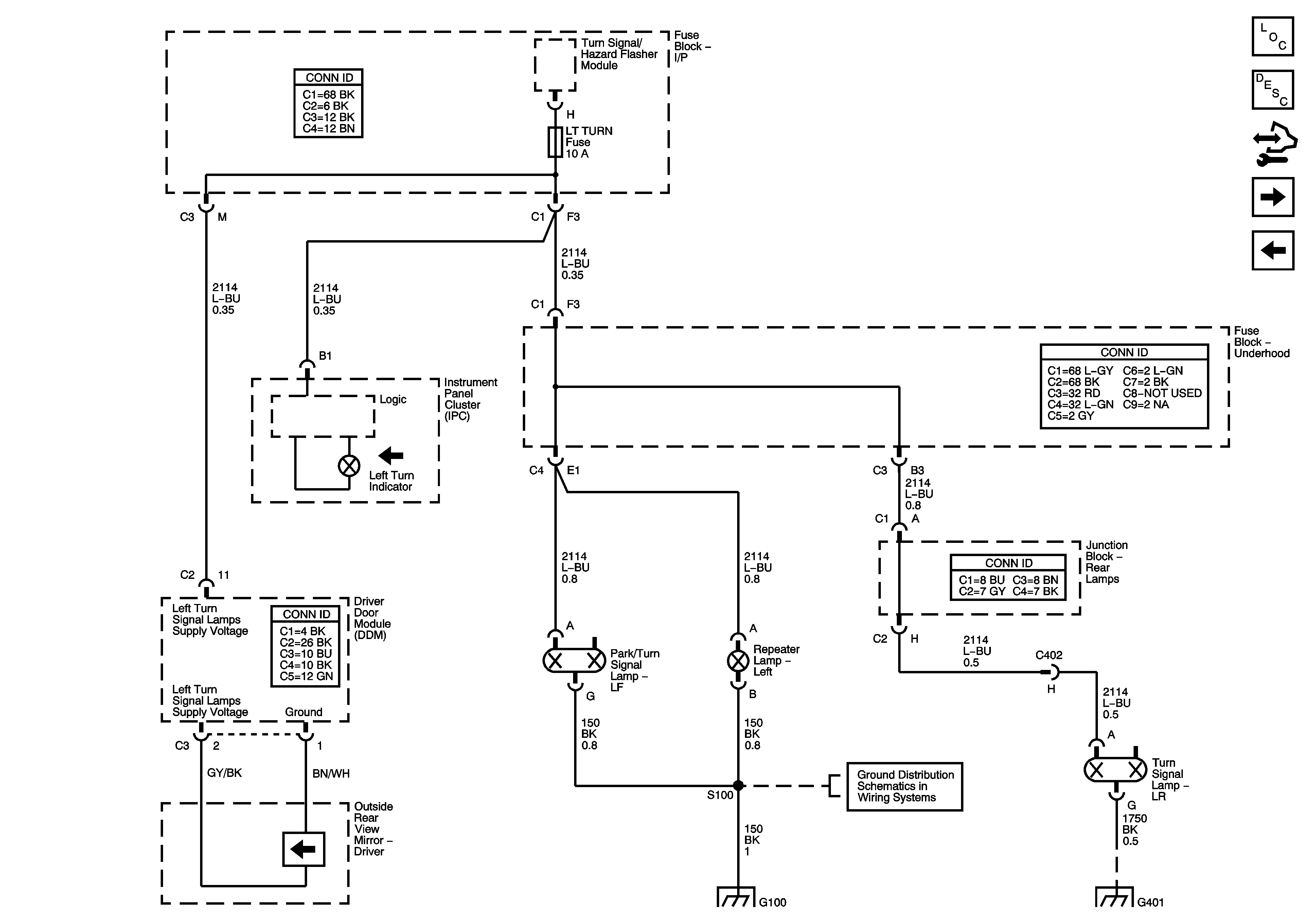
🢒 Left Turn Signals - VD1
Left Turn Signals - VD1
Left Turn Signals - w/VD1
Master Electrical Component List
Exterior Lighting Systems Description and Operation
Control Module References
Right Turn Signals - w/o VD1
Left Turn Signals - w/o VD1
G100 and G105 - 1 of 4
G100 and G105 - 3 of 4
G401 and G402