GM Service Manual Online
For 1990-2009 cars only
Makes
🢒
Cadillac
🢒
2005
🢒
Escalade EXT
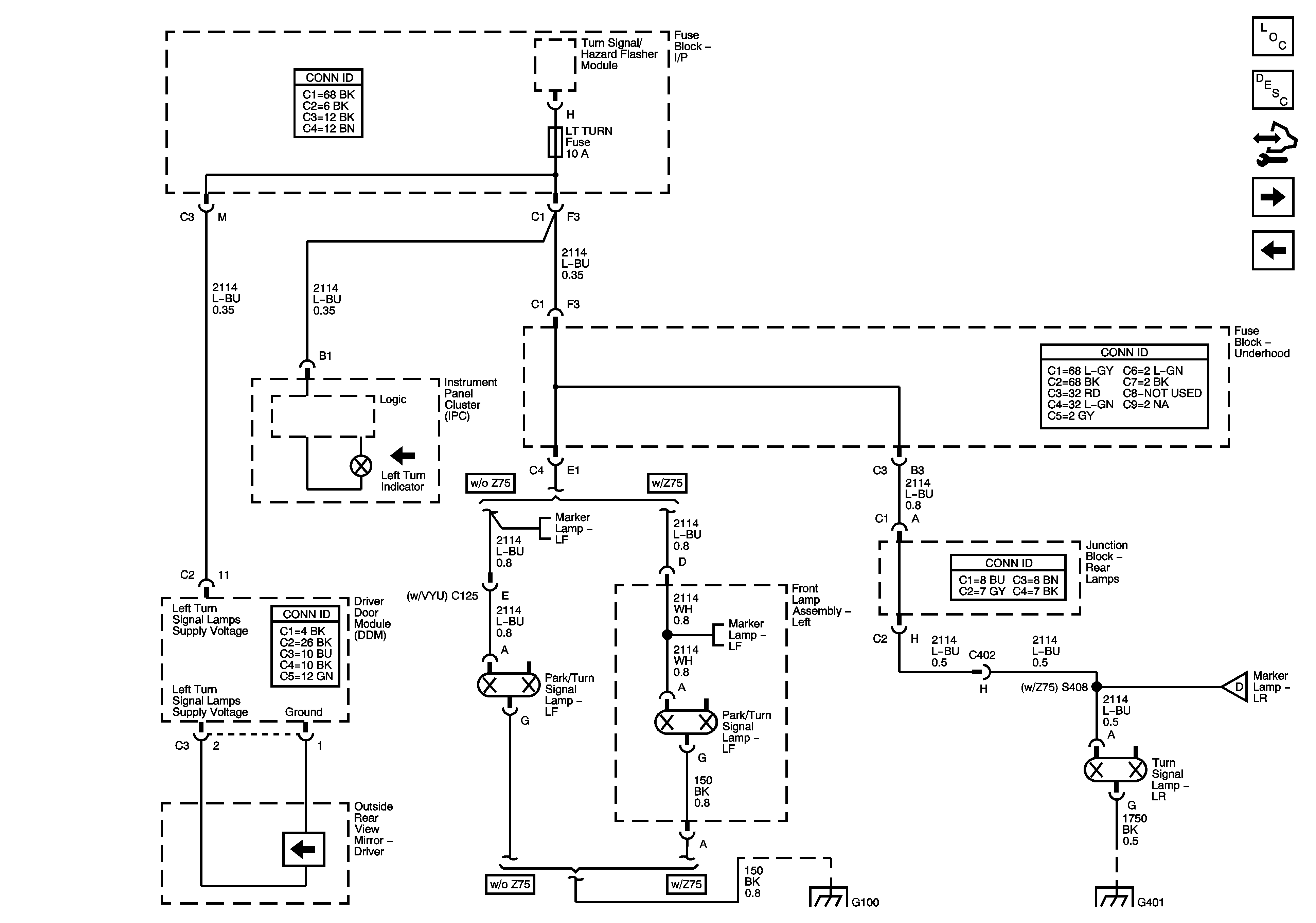
🢒 Left Turn Signals - w/o VD1
Left Turn Signals - w/o VD1
Left Turn Signals - w/o VD1
Master Electrical Component List
Exterior Lighting Systems Description and Operation
Control Module References
Left Turn Signals - VD1
Turn Signal/Multifunction Switch
Front Park Lamps (w/o Z75/YD1)
Front Park Lamps - Z75
Rear Park Lamps - w/Z75
G401 and G402
G100 and G105 - 1 of 4