GM Service Manual Online
For 1990-2009 cars only

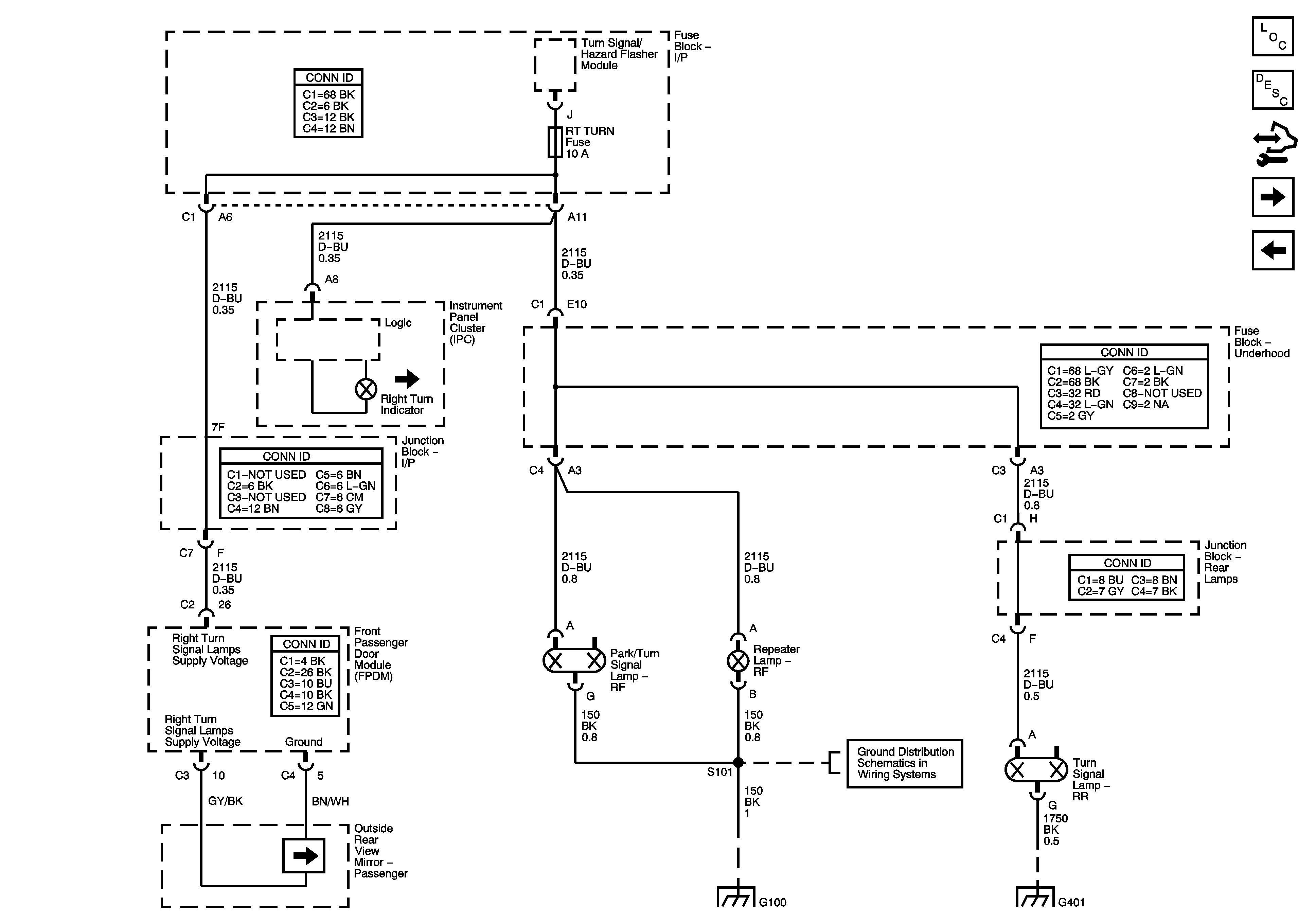
Right Turn Signals - VD1

Right Turn Signals - w/VD1


Object Number: 1464296  Size: FS
Master Electrical Component List
Exterior Lighting Systems Description and Operation
Control Module References
Exterior Illumination Lamps
Right Turn Signals - w/o VD1
G100 and G105 - 4 of 4
G401 and G402
G100 and G105 - 1 of 4