GM Service Manual Online
For 1990-2009 cars only
Makes
🢒
Cadillac
🢒
2005
🢒
Escalade EXT
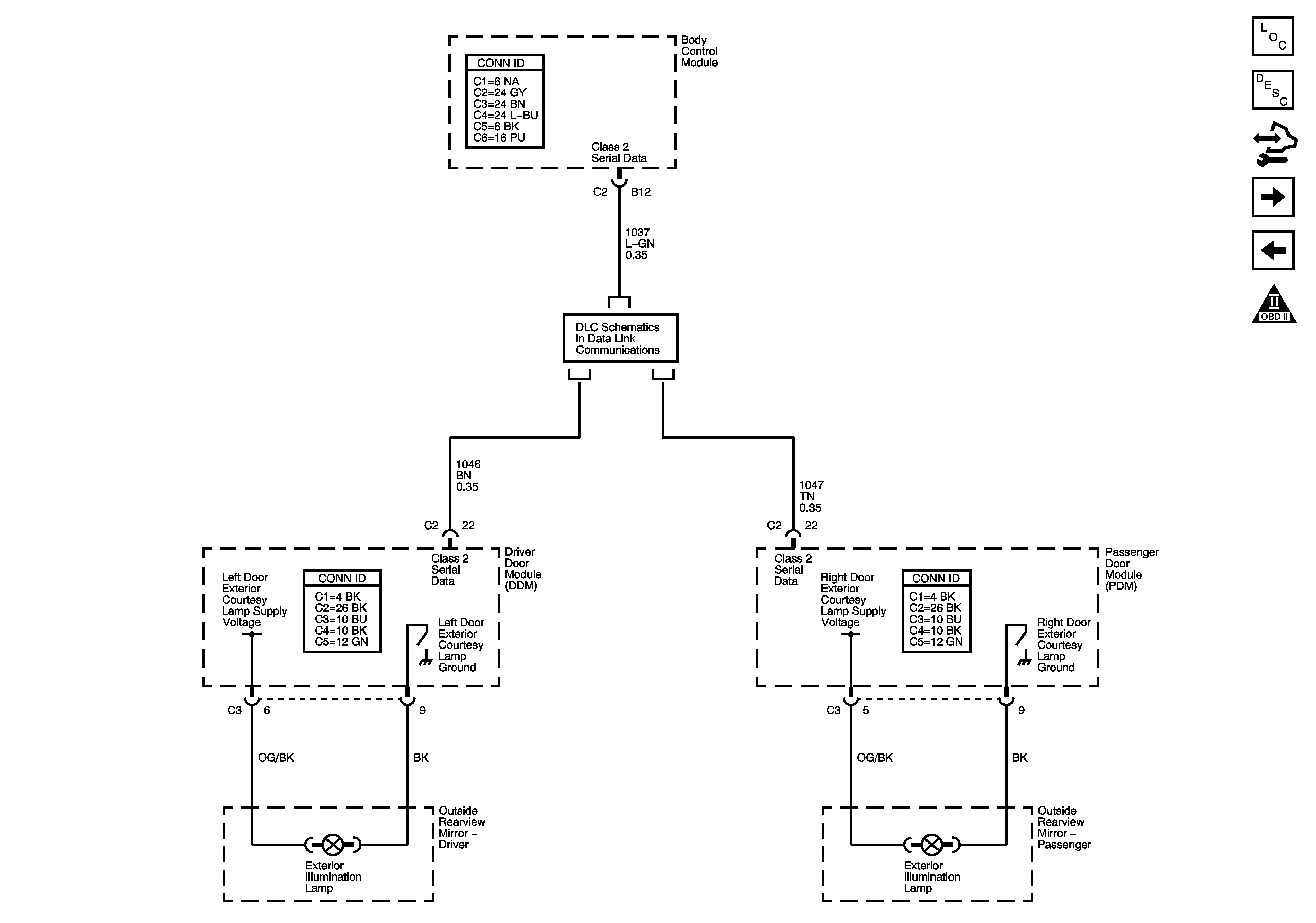
🢒 Exterior Illumination Lamps
Exterior Illumination Lamps
Exterior Illumination Lamps
Master Electrical Component List
Exterior Lighting Systems Description and Operation
Control Module References
Trailer Wiring
Right Turn Signals - VD1
Lighting Systems Schematic Icons
Power, Ground, DLC, and Splice Pack SP205