GM Service Manual Online
For 1990-2009 cars only
Makes
🢒
Cadillac
🢒
2005
🢒
Escalade EXT
🢒 Interior Lamps - Tahoe, Yukon, and Escalade
Interior Lamps - Tahoe, Yukon, and Escalade
Interior Lamps - Tahoe, Yukon, and Escalade
Master Electrical Component List
Interior Lighting Systems Description and Operation
Control Module References
Interior Lamps - Avelanche and Escalade EXT
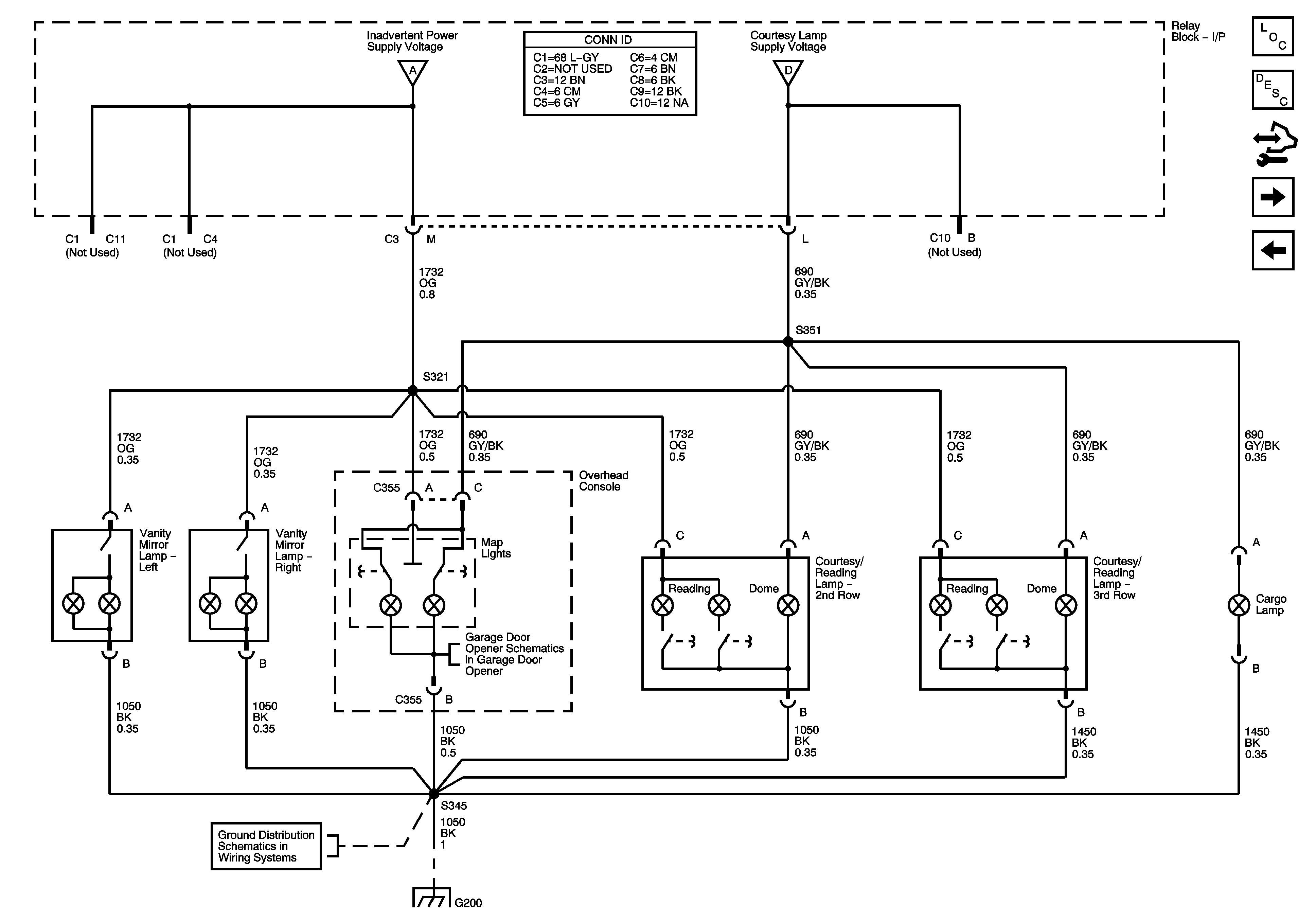
Headlamp Switches, Courtesy Lamp, and Inadvertent Voltage Supplies
Headlamp Switches, Courtesy Lamp, and Inadvertent Voltage Supplies
Headlamp Switches, Courtesy Lamp, and Inadvertent Voltage Supplies
I/P Dimming Supply Voltage - 6 of 8
G200 - 1 of 3
G200 - 3 of 3 - S345