GM Service Manual Online
For 1990-2009 cars only
Makes
🢒
Cadillac
🢒
2005
🢒
Escalade EXT
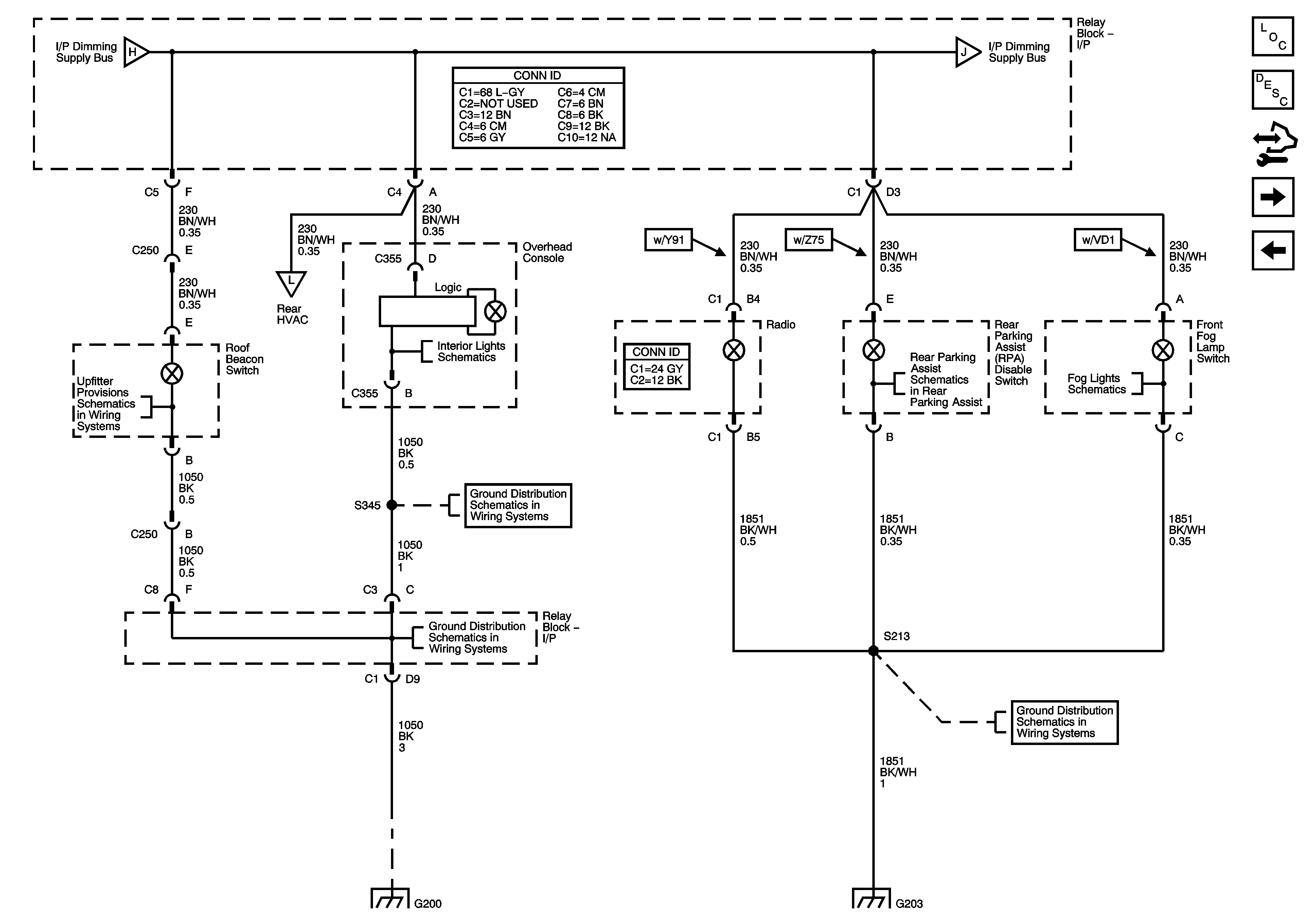
🢒 I/P Dimming Supply Voltage - 6 of 8
I/P Dimming Supply Voltage - 6 of 8
I/P Dimming Supply Voltage 6 of 8
Master Electrical Component List
Interior Lighting Systems Description and Operation
Control Module References
I/P Dimming Supply Voltage - 7 of 8
I/P Dimming Supply Voltage - 5 of 8
Roof Beacon Wiring (5G4)
I/P Dimming Supply Voltage - 5 of 8
I/P Dimming Supply Voltage - 7 of 8
G200 - 3 of 3 - S345
I/P Dimming Supply Voltage - 8 of 8
Rear Object Sensor Control Module, RPA Display, and RPA Disable Switch
Front
G203 - 1 of 3
G203 - 1 of 3
G200 - 3 of 3 - S345
G200 - 3 of 3 - S345
G200 - 1 of 3