GM Service Manual Online
For 1990-2009 cars only
Makes
🢒
Cadillac
🢒
2005
🢒
Escalade EXT
🢒 I/P Dimming Supply Voltage - 2 of 8
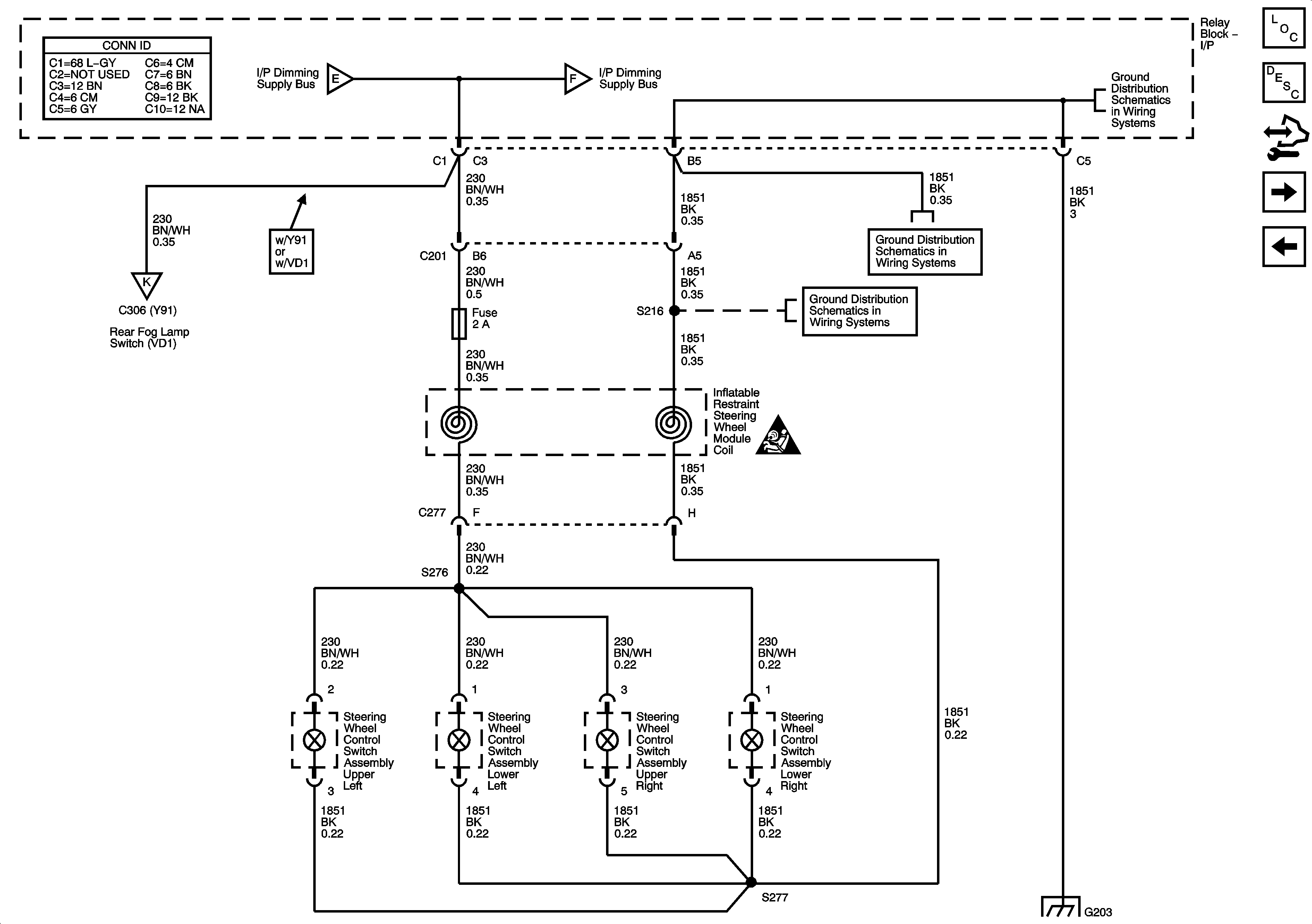
I/P Dimming Supply Voltage - 2 of 8
I/P Dimming Supply Voltage 2 of 8
Master Electrical Component List
Interior Lighting Systems Description and Operation
Control Module References
I/P Dimming Supply Voltage - 3 of 8
I/P Dimming Supply Voltage - 1 of 8
I/P Dimming Supply Voltage - 3 of 8
I/P Dimming Supply Voltage - 1 of 8
I/P Dimming Supply Voltage - 4 of 8
G203 - 1 of 3
G203 - 2 of 3
G203 - 3 of 3
Lighting Systems Schematic Icons
G203 - 1 of 3