GM Service Manual Online
For 1990-2009 cars only
Makes
🢒
Cadillac
🢒
2005
🢒
Escalade EXT
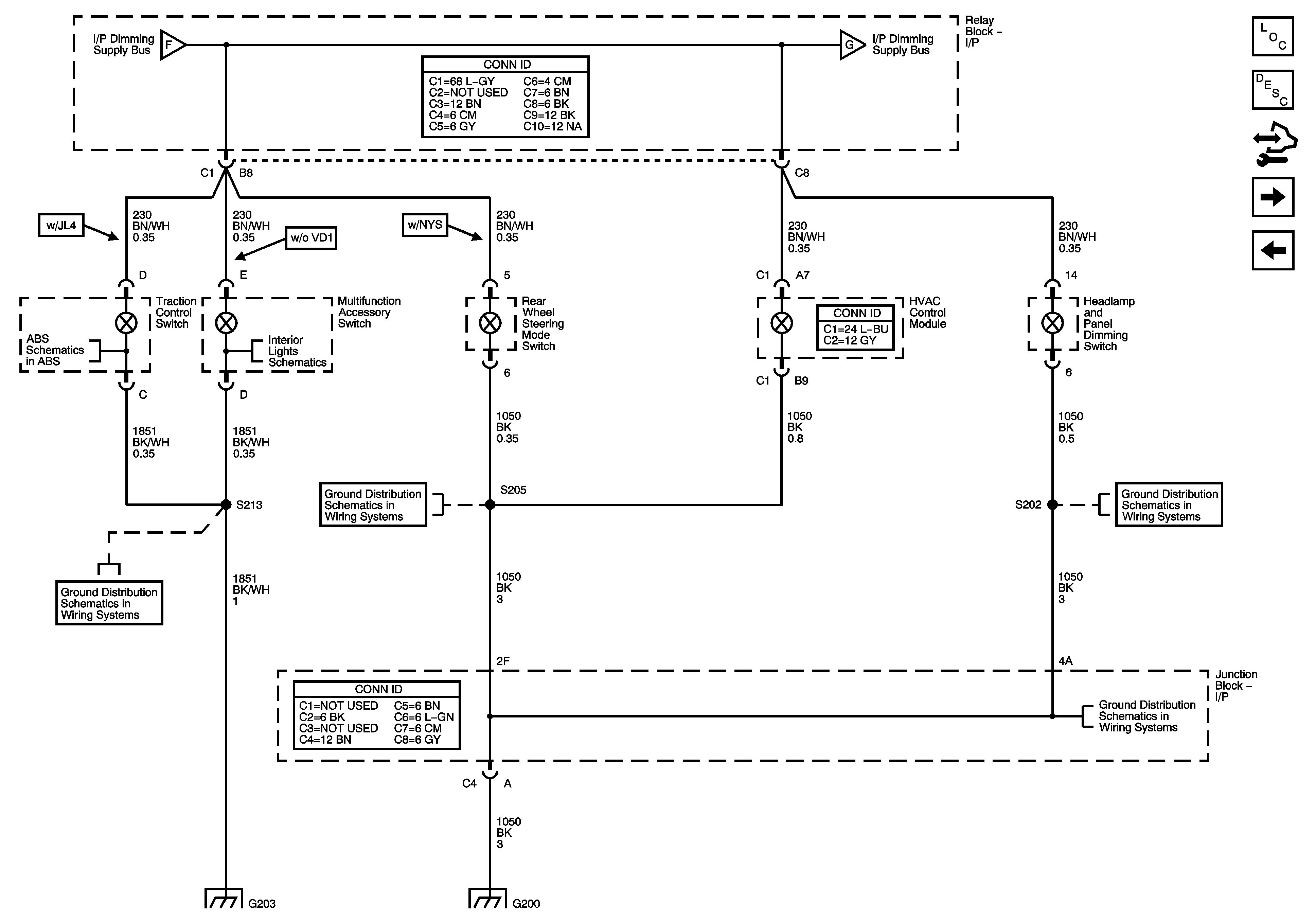
🢒 I/P Dimming Supply Voltage - 4 of 8
I/P Dimming Supply Voltage - 4 of 8
I/P Dimming Supply Voltage 4 of 8
Master Electrical Component List
Interior Lighting Systems Description and Operation
Control Module References
I/P Dimming Supply Voltage - 5 of 8
I/P Dimming Supply Voltage - 3 of 8
Traction Control Switch and Precharge Pump - w/JL4
I/P Dimming Supply Voltage - 2 of 8
Interior Lamps - Avelanche and Escalade EXT
I/P Dimming Supply Voltage - 5 of 8
G200 - 1 of 3
G200 - 1 of 3
G200 - 1 of 3
G200 - 2 of 3
G203 - 1 of 3
G203 - 1 of 3