GM Service Manual Online
For 1990-2009 cars only
Makes
🢒
Cadillac
🢒
2005
🢒
Escalade EXT
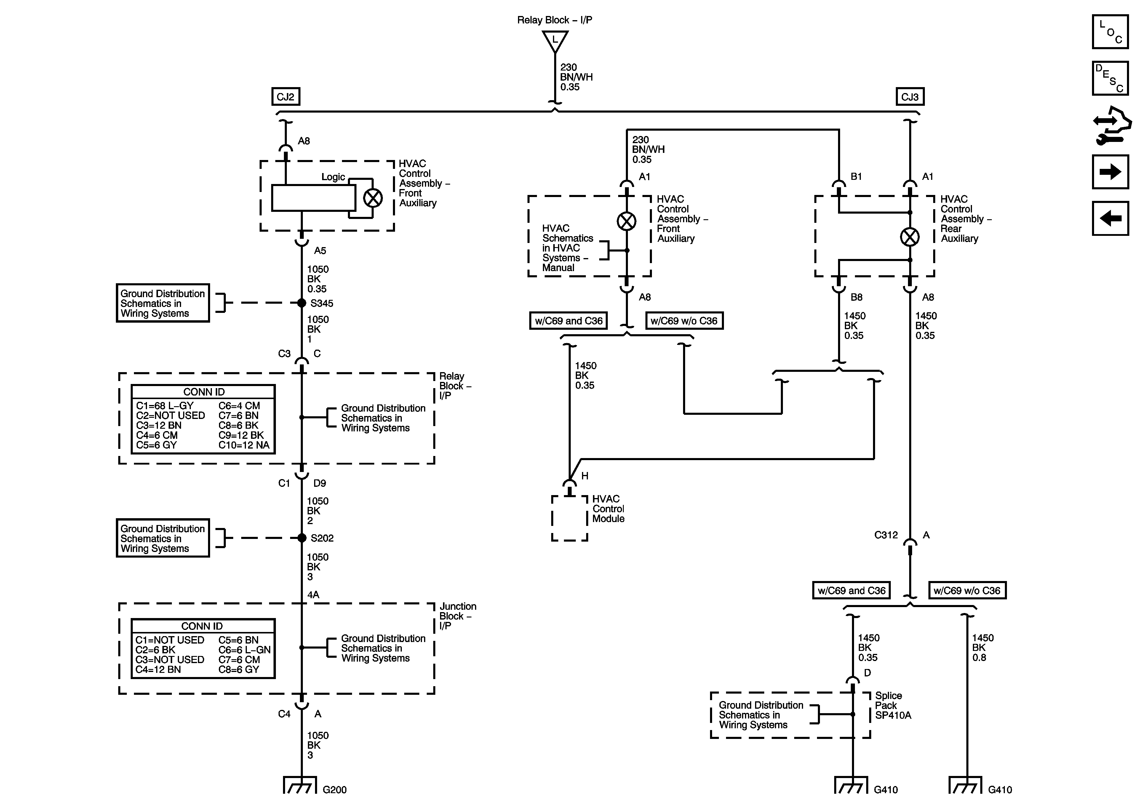
🢒 I/P Dimming Supply Voltage - 7 of 8
I/P Dimming Supply Voltage - 7 of 8
I/P Dimming Supply Voltage 7 of 8
Master Electrical Component List
Interior Lighting Systems Description and Operation
Control Module References
I/P Dimming Supply Voltage - 8 of 8
I/P Dimming Supply Voltage - 6 of 8
G200 - 1 of 3
G200 - 1 of 3
G200 - 1 of 3
G200 - 3 of 3 - S345
G200 - 3 of 3 - S345
I/P Dimming Supply Voltage - 6 of 8
Auxiliary HVAC, Long Wheelbase w/C36 and C69- 1 of 2
G410 - 2 of 3 Auxiliary HVAC, Long Wheelbase
G410 1 of 3
G410 1 of 3