GM Service Manual Online
For 1990-2009 cars only
Makes
🢒
Cadillac
🢒
2005
🢒
Escalade EXT
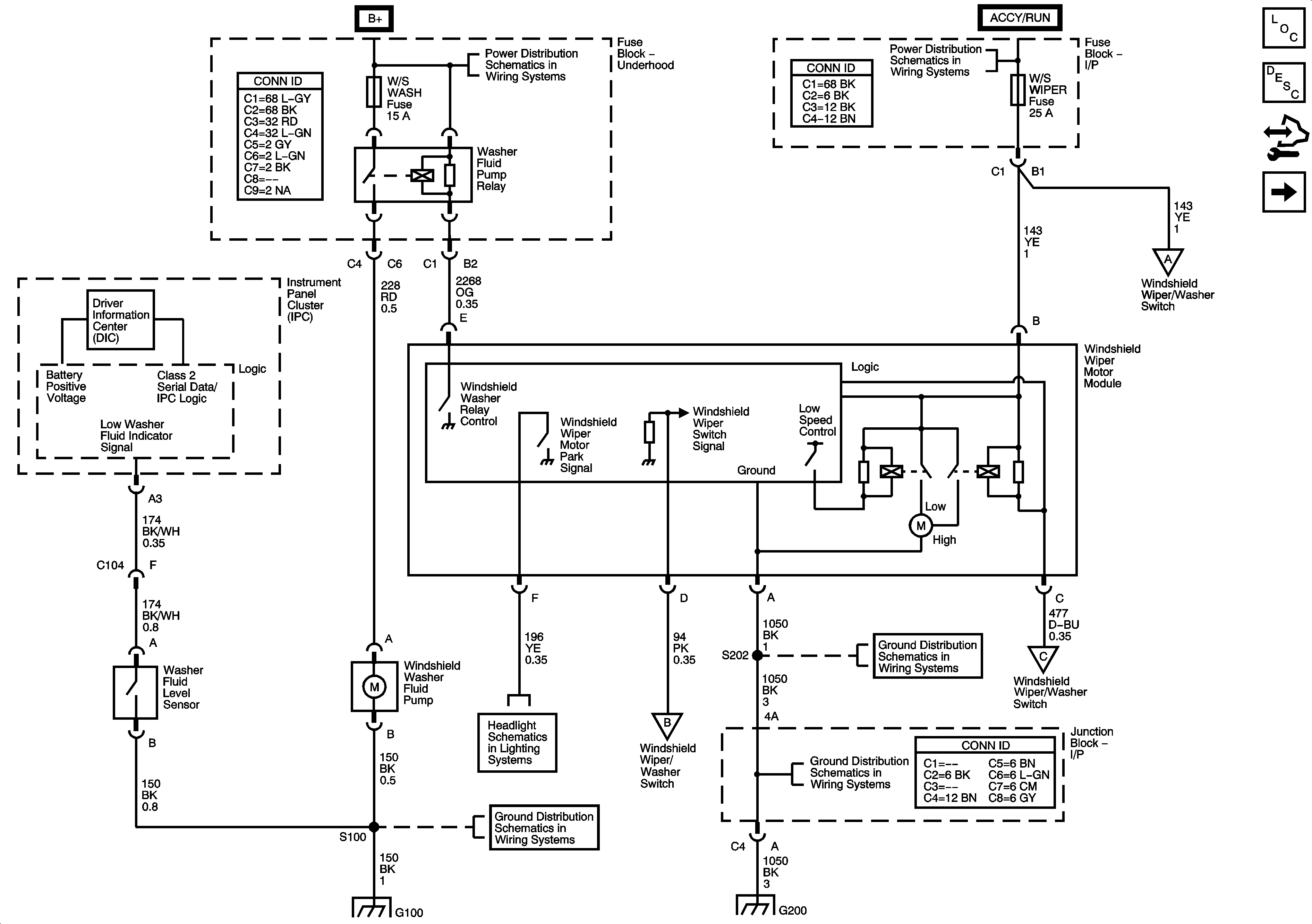
🢒 Front Wiper/Washer Control - 1 of 2
Front Wiper/Washer Control - 1 of 2
Front Wiper/Washer Control - 1 of 2
Master Electrical Component List
Wiper/Washer System Description and Operation
Control Module References
Front Wiper/Washer Control - 2 of 2
B+ Bus - 1 of 2
Ignition Switch - ACCY/RUN and RUN/START Busses, and IGN B Fuse
Front Wiper/Washer Control - 2 of 2
Front Wiper/Washer Control - 2 of 2
G200 - 1 of 3
Front Wiper/Washer Control - 2 of 2
G200 - 1 of 3
G200 - 1 of 3
G100 and G105 - 1 of 4
G100 and G105 - 1 of 4
Headlights/DRL Controls